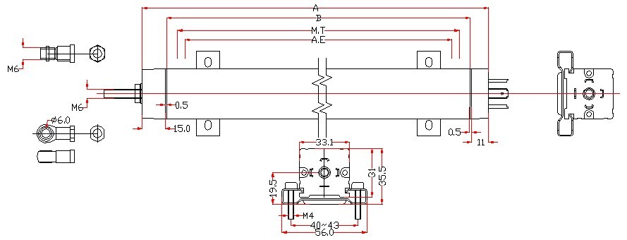
FL-902拉杆系列直线位移传感器用于对位移或者长度进行精确测量。测量行程75mm~1250mm,两端均有4mm返冲行程,线性精度0.1%~0.04%FS,重复精度±0.013mm。传感器的结构设计保证安装方便,牢固可靠。外壳进行了阳极处理,外观靓丽,抗腐蚀,内置导电塑料测量单元,无温漂,寿命长,保证运行顺滑。密封防护等级IP67,DIN430650镀银插座,适用范围广信号传输更稳定,拉杆球具有0.5mm自动对中功能,公司从国外进口的专用线性
修刻系统,电阻修刻技术不仅可以满足您的线性度要求,而且可以根据客户的要求修刻电阻值的大小。
FL-902拉杆系列直线位移传感器(1/2) (http://www.fx-sensor.com 010-51295202)
|
型号FL-902 |
75 |
100 |
125 |
150 |
175 |
200 |
225 |
250 |
275 |
300 |
350 |
400 |
450 |
500 |
|
有效行程(A.E)mm |
75 |
100 |
125 |
150 |
175 |
200 |
225 |
250 |
275 |
300 |
350 |
400 |
450 |
500 |
|
电气行程mm |
76 |
102 |
127 |
152 |
177 |
203 |
228 |
253 |
278 |
304 |
356 |
406 |
457 |
508 |
|
电阻KΩ±10% |
5 |
|||||||||||||
|
线性度±% |
0.1 |
0.08 |
0.06 |
0.05 |
||||||||||
|
重复精度mm |
0.013 |
|||||||||||||
|
分辨率 |
无限分辨 |
|||||||||||||
|
电刷工作电流 |
≤1μA |
|||||||||||||
|
故障电刷电流 |
≤10mA |
|||||||||||||
|
最大允许供电 |
≤36VDC |
|||||||||||||
|
温度系数 |
10ppm/℃, -40℃~+100℃ |
|||||||||||||
|
≥5MΩ,500VDC,线路板与外壳之间 |
||||||||||||||
|
机械行程mm (尺寸M.T) |
83 |
109 |
134 |
160 |
185 |
210 |
236 |
261 |
286 |
312 |
363 |
414 |
465 |
515 |
|
外壳长度mm (尺寸A) |
139 |
164 |
190 |
215 |
240 |
266 |
291 |
317 |
342 |
368 |
418 |
469 |
519 |
570 |
|
净重量g |
168 |
190 |
210 |
230 |
250 |
272 |
292 |
312 |
332 |
354 |
398 |
438 |
480 |
522 |
FL-902拉杆系列直线位移传感器(2/2) (http://www.fx-sensor.com 010-51295202)
|
型号FL-902 |
550 |
600 |
650 |
700 |
750 |
800 |
850 |
900 |
950 |
1000 |
|
|
|
|
|
有效行程(A.E)mm |
550 |
600 |
650 |
700 |
750 |
800 |
850 |
900 |
950 |
1000 |
|
|
|
|
|
电气行程mm |
559 |
610 |
661 |
712 |
762 |
813 |
863 |
914 |
964 |
1015 |
|
|
|
|
|
电阻KΩ±10% |
10 |
|
|
|
|
|||||||||
|
线性度±% |
0.05 |
0.04 |
|
|
|
|
||||||||
|
重复精度mm |
0.013 |
|
|
|
|
|||||||||
|
分辨率 |
无限分辨 |
|
|
|
|
|||||||||
|
电刷工作电流 |
≤1μA |
|
|
|
|
|||||||||
|
故障电刷电流 |
≤10mA |
|
|
|
|
|||||||||
|
最大允许供电 |
≤36VDC |
|
|
|
|
|||||||||
|
温度系数 |
10ppm/℃,-40℃~+100℃ |
|
|
|
|
|||||||||
|
绝缘电阻 |
≥5MΩ,500VDC,线路板与外壳之间 |
|
|
|
|
|||||||||
|
机械行程mm (尺寸M.T) |
566 |
617 |
667 |
718 |
769 |
820 |
871 |
922 |
972 |
1022 |
|
|
|
|
|
外壳长度mm (尺寸A) |
621 |
671 |
721 |
772 |
822 |
873 |
923 |
974 |
1024 |
1075 |
|
|
|
|
|
净重量g |
564 |
606 |
648 |
690 |
730 |
772 |
812 |
854 |
894 |
936 |
|
|
|
|
FL-902拉杆系列直线位移传感器用于对位移或者长度进行精确测量。测量行程75mm~1250mm,两端均有4mm返冲行程,线性精度0.1%~0.04%FS,重复精度±0.013mm。传感器的结构设计保证安装方便,牢固可靠。外壳进行了阳极处理,外观靓丽,抗腐蚀,内置导电塑料测量单元,无温漂,寿命长,保证运行顺滑。密封防护等级IP67,DIN430650镀银插座,适用范围广信号传输更稳定,拉杆球具有0.5mm自动对中功能,公司从国外进口的专用线性
修刻系统,电阻修刻技术不仅可以满足您的线性度要求,而且可以根据客户的要求修刻电阻值的大小。
FL-902拉杆系列直线位移传感器(1/2) (http://www.fx-sensor.com 010-51295202)
|
型号FL-902 |
75 |
100 |
125 |
150 |
175 |
200 |
225 |
250 |
275 |
300 |
350 |
400 |
450 |
500 |
|
有效行程(A.E)mm |
75 |
100 |
125 |
150 |
175 |
200 |
225 |
250 |
275 |
300 |
350 |
400 |
450 |
500 |
|
电气行程mm |
76 |
102 |
127 |
152 |
177 |
203 |
228 |
253 |
278 |
304 |
356 |
406 |
457 |
508 |
|
电阻KΩ±10% |
5 |
|||||||||||||
|
线性度±% |
0.1 |
0.08 |
0.06 |
0.05 |
||||||||||
|
重复精度mm |
0.013 |
|||||||||||||
|
分辨率 |
无限分辨 |
|||||||||||||
|
电刷工作电流 |
≤1μA |
|||||||||||||
|
故障电刷电流 |
≤10mA |
|||||||||||||
|
最大允许供电 |
≤36VDC |
|||||||||||||
|
温度系数 |
10ppm/℃, -40℃~+100℃ |
|||||||||||||
|
≥5MΩ,500VDC,线路板与外壳之间 |
||||||||||||||
|
机械行程mm (尺寸M.T) |
83 |
109 |
134 |
160 |
185 |
210 |
236 |
261 |
286 |
312 |
363 |
414 |
465 |
515 |
|
外壳长度mm (尺寸A) |
139 |
164 |
190 |
215 |
240 |
266 |
291 |
317 |
342 |
368 |
418 |
469 |
519 |
570 |
|
净重量g |
168 |
190 |
210 |
230 |
250 |
272 |
292 |
312 |
332 |
354 |
398 |
438 |
480 |
522 |
FL-902拉杆系列直线位移传感器(2/2) (http://www.fx-sensor.com 010-51295202)
|
型号FL-902 |
550 |
600 |
650 |
700 |
750 |
800 |
850 |
900 |
950 |
1000 |
|
|
|
|
|
有效行程(A.E)mm |
550 |
600 |
650 |
700 |
750 |
800 |
850 |
900 |
950 |
1000 |
|
|
|
|
|
电气行程mm |
559 |
610 |
661 |
712 |
762 |
813 |
863 |
914 |
964 |
1015 |
|
|
|
|
|
电阻KΩ±10% |
10 |
|
|
|
|
|||||||||
|
线性度±% |
0.05 |
0.04 |
|
|
|
|
||||||||
|
重复精度mm |
0.013 |
|
|
|
|
|||||||||
|
分辨率 |
无限分辨 |
|
|
|
|
|||||||||
|
电刷工作电流 |
≤1μA |
|
|
|
|
|||||||||
|
故障电刷电流 |
≤10mA |
|
|
|
|
|||||||||
|
最大允许供电 |
≤36VDC |
|
|
|
|
|||||||||
|
温度系数 |
10ppm/℃,-40℃~+100℃ |
|
|
|
|
|||||||||
|
绝缘电阻 |
≥5MΩ,500VDC,线路板与外壳之间 |
|
|
|
|
|||||||||
|
机械行程mm (尺寸M.T) |
566 |
617 |
667 |
718 |
769 |
820 |
871 |
922 |
972 |
1022 |
|
|
|
|
|
外壳长度mm (尺寸A) |
621 |
671 |
721 |
772 |
822 |
873 |
923 |
974 |
1024 |
1075 |
|
|
|
|
|
净重量g |
564 |
606 |
648 |
690 |
730 |
772 |
812 |
854 |
894 |
936 |
|
|
|
|
FL-902拉杆系列直线位移传感器用于对位移或者长度进行精确测量。测量行程75mm~1250mm,两端均有4mm返冲行程,线性精度0.1%~0.04%FS,重复精度±0.013mm。传感器的结构设计保证安装方便,牢固可靠。外壳进行了阳极处理,外观靓丽,抗腐蚀,内置导电塑料测量单元,无温漂,寿命长,保证运行顺滑。密封防护等级IP67,DIN430650镀银插座,适用范围广信号传输更稳定,拉杆球具有0.5mm自动对中功能,公司从国外进口的专用线性
修刻系统,电阻修刻技术不仅可以满足您的线性度要求,而且可以根据客户的要求修刻电阻值的大小。
FL-902拉杆系列直线位移传感器(1/2) (http://www.fx-sensor.com 010-51295202)
|
型号FL-902 |
75 |
100 |
125 |
150 |
175 |
200 |
225 |
250 |
275 |
300 |
350 |
400 |
450 |
500 |
|
有效行程(A.E)mm |
75 |
100 |
125 |
150 |
175 |
200 |
225 |
250 |
275 |
300 |
350 |
400 |
450 |
500 |
|
电气行程mm |
76 |
102 |
127 |
152 |
177 |
203 |
228 |
253 |
278 |
304 |
356 |
406 |
457 |
508 |
|
电阻KΩ±10% |
5 |
|||||||||||||
|
线性度±% |
0.1 |
0.08 |
0.06 |
0.05 |
||||||||||
|
重复精度mm |
0.013 |
|||||||||||||
|
分辨率 |
无限分辨 |
|||||||||||||
|
电刷工作电流 |
≤1μA |
|||||||||||||
|
故障电刷电流 |
≤10mA |
|||||||||||||
|
最大允许供电 |
≤36VDC |
|||||||||||||
|
温度系数 |
10ppm/℃, -40℃~+100℃ |
|||||||||||||
|
≥5MΩ,500VDC,线路板与外壳之间 |
||||||||||||||
|
机械行程mm (尺寸M.T) |
83 |
109 |
134 |
160 |
185 |
210 |
236 |
261 |
286 |
312 |
363 |
414 |
465 |
515 |
|
外壳长度mm (尺寸A) |
139 |
164 |
190 |
215 |
240 |
266 |
291 |
317 |
342 |
368 |
418 |
469 |
519 |
570 |
|
净重量g |
168 |
190 |
210 |
230 |
250 |
272 |
292 |
312 |
332 |
354 |
398 |
438 |
480 |
522 |
FL-902拉杆系列直线位移传感器(2/2) (http://www.fx-sensor.com 010-51295202)
|
型号FL-902 |
550 |
600 |
650 |
700 |
750 |
800 |
850 |
900 |
950 |
1000 |
|
|
|
|
|
有效行程(A.E)mm |
550 |
600 |
650 |
700 |
750 |
800 |
850 |
900 |
950 |
1000 |
|
|
|
|
|
电气行程mm |
559 |
610 |
661 |
712 |
762 |
813 |
863 |
914 |
964 |
1015 |
|
|
|
|
|
电阻KΩ±10% |
10 |
|
|
|
|
|||||||||
|
线性度±% |
0.05 |
0.04 |
|
|
|
|
||||||||
|
重复精度mm |
0.013 |
|
|
|
|
|||||||||
|
分辨率 |
无限分辨 |
|
|
|
|
|||||||||
|
电刷工作电流 |
≤1μA |
|
|
|
|
|||||||||
|
故障电刷电流 |
≤10mA |
|
|
|
|
|||||||||
|
最大允许供电 |
≤36VDC |
|
|
|
|
|||||||||
|
温度系数 |
10ppm/℃,-40℃~+100℃ |
|
|
|
|
|||||||||
|
绝缘电阻 |
≥5MΩ,500VDC,线路板与外壳之间 |
|
|
|
|
|||||||||
|
机械行程mm (尺寸M.T) |
566 |
617 |
667 |
718 |
769 |
820 |
871 |
922 |
972 |
1022 |
|
|
|
|
|
外壳长度mm (尺寸A) |
621 |
671 |
721 |
772 |
822 |
873 |
923 |
974 |
1024 |
1075 |
|
|
|
|
|
净重量g |
564 |
606 |
648 |
690 |
730 |
772 |
812 |
854 |
894 |
936 |
|
|
|
|
FL-902拉杆系列直线位移传感器用于对位移或者长度进行精确测量。测量行程75mm~1250mm,两端均有4mm返冲行程,线性精度0.1%~0.04%FS,重复精度±0.013mm。传感器的结构设计保证安装方便,牢固可靠。外壳进行了阳极处理,外观靓丽,抗腐蚀,内置导电塑料测量单元,无温漂,寿命长,保证运行顺滑。密封防护等级IP67,DIN430650镀银插座,适用范围广信号传输更稳定,拉杆球具有0.5mm自动对中功能,公司从国外进口的专用线性
修刻系统,电阻修刻技术不仅可以满足您的线性度要求,而且可以根据客户的要求修刻电阻值的大小。
FL-902拉杆系列直线位移传感器(1/2) (http://www.fx-sensor.com 010-51295202)
|
型号FL-902 |
75 |
100 |
125 |
150 |
175 |
200 |
225 |
250 |
275 |
300 |
350 |
400 |
450 |
500 |
|
有效行程(A.E)mm |
75 |
100 |
125 |
150 |
175 |
200 |
225 |
250 |
275 |
300 |
350 |
400 |
450 |
500 |
|
电气行程mm |
76 |
102 |
127 |
152 |
177 |
203 |
228 |
253 |
278 |
304 |
356 |
406 |
457 |
508 |
|
电阻KΩ±10% |
5 |
|||||||||||||
|
线性度±% |
0.1 |
0.08 |
0.06 |
0.05 |
||||||||||
|
重复精度mm |
0.013 |
|||||||||||||
|
分辨率 |
无限分辨 |
|||||||||||||
|
电刷工作电流 |
≤1μA |
|||||||||||||
|
故障电刷电流 |
≤10mA |
|||||||||||||
|
最大允许供电 |
≤36VDC |
|||||||||||||
|
温度系数 |
10ppm/℃, -40℃~+100℃ |
|||||||||||||
|
≥5MΩ,500VDC,线路板与外壳之间 |
||||||||||||||
|
机械行程mm (尺寸M.T) |
83 |
109 |
134 |
160 |
185 |
210 |
236 |
261 |
286 |
312 |
363 |
414 |
465 |
515 |
|
外壳长度mm (尺寸A) |
139 |
164 |
190 |
215 |
240 |
266 |
291 |
317 |
342 |
368 |
418 |
469 |
519 |
570 |
|
净重量g |
168 |
190 |
210 |
230 |
250 |
272 |
292 |
312 |
332 |
354 |
398 |
438 |
480 |
522 |
FL-902拉杆系列直线位移传感器(2/2) (http://www.fx-sensor.com 010-51295202)
|
型号FL-902 |
550 |
600 |
650 |
700 |
750 |
800 |
850 |
900 |
950 |
1000 |
|
|
|
|
|
有效行程(A.E)mm |
550 |
600 |
650 |
700 |
750 |
800 |
850 |
900 |
950 |
1000 |
|
|
|
|
|
电气行程mm |
559 |
610 |
661 |
712 |
762 |
813 |
863 |
914 |
964 |
1015 |
|
|
|
|
|
电阻KΩ±10% |
10 |
|
|
|
|
|||||||||
|
线性度±% |
0.05 |
0.04 |
|
|
|
|
||||||||
|
重复精度mm |
0.013 |
|
|
|
|
|||||||||
|
分辨率 |
无限分辨 |
|
|
|
|
|||||||||
|
电刷工作电流 |
≤1μA |
|
|
|
|
|||||||||
|
故障电刷电流 |
≤10mA |
|
|
|
|
|||||||||
|
最大允许供电 |
≤36VDC |
|
|
|
|
|||||||||
|
温度系数 |
10ppm/℃,-40℃~+100℃ |
|
|
|
|
|||||||||
|
绝缘电阻 |
≥5MΩ,500VDC,线路板与外壳之间 |
|
|
|
|
|||||||||
|
机械行程mm (尺寸M.T) |
566 |
617 |
667 |
718 |
769 |
820 |
871 |
922 |
972 |
1022 |
|
|
|
|
|
外壳长度mm (尺寸A) |
621 |
671 |
721 |
772 |
822 |
873 |
923 |
974 |
1024 |
1075 |
|
|
|
|
|
净重量g |
564 |
606 |
648 |
690 |
730 |
772 |
812 |
854 |
894 |
936 |
|
|
|
|
FL-902拉杆系列直线位移传感器用于对位移或者长度进行精确测量。测量行程75mm~1250mm,两端均有4mm返冲行程,线性精度0.1%~0.04%FS,重复精度±0.013mm。传感器的结构设计保证安装方便,牢固可靠。外壳进行了阳极处理,外观靓丽,抗腐蚀,内置导电塑料测量单元,无温漂,寿命长,保证运行顺滑。密封防护等级IP67,DIN430650镀银插座,适用范围广信号传输更稳定,拉杆球具有0.5mm自动对中功能,公司从国外进口的专用线性
修刻系统,电阻修刻技术不仅可以满足您的线性度要求,而且可以根据客户的要求修刻电阻值的大小。
FL-902拉杆系列直线位移传感器(1/2) (http://www.fx-sensor.com 010-51295202)
|
型号FL-902 |
75 |
100 |
125 |
150 |
175 |
200 |
225 |
250 |
275 |
300 |
350 |
400 |
450 |
500 |
|
有效行程(A.E)mm |
75 |
100 |
125 |
150 |
175 |
200 |
225 |
250 |
275 |
300 |
350 |
400 |
450 |
500 |
|
电气行程mm |
76 |
102 |
127 |
152 |
177 |
203 |
228 |
253 |
278 |
304 |
356 |
406 |
457 |
508 |
|
电阻KΩ±10% |
5 |
|||||||||||||
|
线性度±% |
0.1 |
0.08 |
0.06 |
0.05 |
||||||||||
|
重复精度mm |
0.013 |
|||||||||||||
|
分辨率 |
无限分辨 |
|||||||||||||
|
电刷工作电流 |
≤1μA |
|||||||||||||
|
故障电刷电流 |
≤10mA |
|||||||||||||
|
最大允许供电 |
≤36VDC |
|||||||||||||
|
温度系数 |
10ppm/℃, -40℃~+100℃ |
|||||||||||||
|
≥5MΩ,500VDC,线路板与外壳之间 |
||||||||||||||
|
机械行程mm (尺寸M.T) |
83 |
109 |
134 |
160 |
185 |
210 |
236 |
261 |
286 |
312 |
363 |
414 |
465 |
515 |
|
外壳长度mm (尺寸A) |
139 |
164 |
190 |
215 |
240 |
266 |
291 |
317 |
342 |
368 |
418 |
469 |
519 |
570 |
|
净重量g |
168 |
190 |
210 |
230 |
250 |
272 |
292 |
312 |
332 |
354 |
398 |
438 |
480 |
522 |
FL-902拉杆系列直线位移传感器(2/2) (http://www.fx-sensor.com 010-51295202)
|
型号FL-902 |
550 |
600 |
650 |
700 |
750 |
800 |
850 |
900 |
950 |
1000 |
|
|
|
|
|
有效行程(A.E)mm |
550 |
600 |
650 |
700 |
750 |
800 |
850 |
900 |
950 |
1000 |
|
|
|
|
|
电气行程mm |
559 |
610 |
661 |
712 |
762 |
813 |
863 |
914 |
964 |
1015 |
|
|
|
|
|
电阻KΩ±10% |
10 |
|
|
|
|
|||||||||
|
线性度±% |
0.05 |
0.04 |
|
|
|
|
||||||||
|
重复精度mm |
0.013 |
|
|
|
|
|||||||||
|
分辨率 |
无限分辨 |
|
|
|
|
|||||||||
|
电刷工作电流 |
≤1μA |
|
|
|
|
|||||||||
|
故障电刷电流 |
≤10mA |
|
|
|
|
|||||||||
|
最大允许供电 |
≤36VDC |
|
|
|
|
|||||||||
|
温度系数 |
10ppm/℃,-40℃~+100℃ |
|
|
|
|
|||||||||
|
绝缘电阻 |
≥5MΩ,500VDC,线路板与外壳之间 |
|
|
|
|
|||||||||
|
机械行程mm (尺寸M.T) |
566 |
617 |
667 |
718 |
769 |
820 |
871 |
922 |
972 |
1022 |
|
|
|
|
|
外壳长度mm (尺寸A) |
621 |
671 |
721 |
772 |
822 |
873 |
923 |
974 |
1024 |
1075 |
|
|
|
|
|
净重量g |
564 |
606 |
648 |
690 |
730 |
772 |
812 |
854 |
894 |
936 |
|
|
|
|

京公网安备 11011402011664号 京ICP备09029331号-22 QQ:987268138 E-mail:wjxyxy@126.com