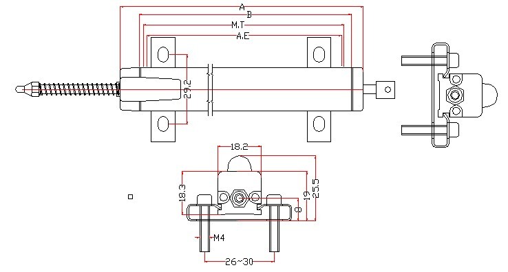
FL-904微型自恢复系列直线位移传感器,有效行程5mm~100mm,两端均有2mm缓冲行程,精度1%~0.3%FS。外壳表面阳极处理,防腐蚀;内置导电塑料测量单元,无温漂,寿命长;具有自动电气接地功能。密封等级为IP67,有直接出线和五芯插头插座输出两种选择,可以适用在大多数通用场合,特别适用于安装空间狭小的场合;顶推杆无需安装,无需对中,顶推角90±3°,允许顶推极限运动速度为3m/s。(http://www.fx-sensor.com 010-51295202)
FL-904微型自恢复系列直线位移传感器系列参数表(http://www.fx-sensor.com 010-51295202)
|
公称行程规格 |
mm |
5 |
10 |
25 |
50 |
75 |
100 |
||
|
电阻行程(A.E) |
mm |
5 |
10 |
25.5 |
50.5 |
75.5 |
101 |
||
|
机械行程(M.T) |
mm |
9 |
14 |
29.5 |
54.5 |
79.5 |
105 |
||
|
相对线性精度(FS) |
±% |
1% |
0.5% |
0.3% |
|||||
|
电阻值±10% |
KΩ |
5 |
|||||||
|
解析度/分辨率 |
模拟 |
Infinite无限解析 |
|||||||
|
重复性精度 |
mm |
0.01 |
|||||||
|
最大工作速度 |
m/s |
3 |
|||||||
|
建议输出环电流 |
μA |
1 |
|||||||
|
使用温度环境 |
℃ |
-40℃ ~ +120℃ |
|||||||
|
输出信号类型 |
Vdc |
0~100%给定输入电压(随位移变化而比例变化),备注:作为指示用,不能带负载 |
|||||||
|
尺寸A |
mm |
39 |
44.5 |
60 |
85 |
110 |
135.5 |
||
|
重量(不含配件) |
g |
56 |
58.5 |
63 |
70 |
77 |
84 |
||
|
备注 |
|
内置弹簧 |
外置弹簧 |
||||||
外型图一
外观图一

外型图二

外观图二
FL-904微型自恢复系列直线位移传感器,有效行程5mm~100mm,两端均有2mm缓冲行程,精度1%~0.3%FS。外壳表面阳极处理,防腐蚀;内置导电塑料测量单元,无温漂,寿命长;具有自动电气接地功能。密封等级为IP67,有直接出线和五芯插头插座输出两种选择,可以适用在大多数通用场合,特别适用于安装空间狭小的场合;顶推杆无需安装,无需对中,顶推角90±3°,允许顶推极限运动速度为3m/s。(http://www.fx-sensor.com 010-51295202)
FL-904微型自恢复系列直线位移传感器系列参数表(http://www.fx-sensor.com 010-51295202)
|
公称行程规格 |
mm |
5 |
10 |
25 |
50 |
75 |
100 |
||
|
电阻行程(A.E) |
mm |
5 |
10 |
25.5 |
50.5 |
75.5 |
101 |
||
|
机械行程(M.T) |
mm |
9 |
14 |
29.5 |
54.5 |
79.5 |
105 |
||
|
相对线性精度(FS) |
±% |
1% |
0.5% |
0.3% |
|||||
|
电阻值±10% |
KΩ |
5 |
|||||||
|
解析度/分辨率 |
模拟 |
Infinite无限解析 |
|||||||
|
重复性精度 |
mm |
0.01 |
|||||||
|
最大工作速度 |
m/s |
3 |
|||||||
|
建议输出环电流 |
μA |
1 |
|||||||
|
使用温度环境 |
℃ |
-40℃ ~ +120℃ |
|||||||
|
输出信号类型 |
Vdc |
0~100%给定输入电压(随位移变化而比例变化),备注:作为指示用,不能带负载 |
|||||||
|
尺寸A |
mm |
39 |
44.5 |
60 |
85 |
110 |
135.5 |
||
|
重量(不含配件) |
g |
56 |
58.5 |
63 |
70 |
77 |
84 |
||
|
备注 |
|
内置弹簧 |
外置弹簧 |
||||||
外型图一
外观图一

外型图二

外观图二
FL-904微型自恢复系列直线位移传感器,有效行程5mm~100mm,两端均有2mm缓冲行程,精度1%~0.3%FS。外壳表面阳极处理,防腐蚀;内置导电塑料测量单元,无温漂,寿命长;具有自动电气接地功能。密封等级为IP67,有直接出线和五芯插头插座输出两种选择,可以适用在大多数通用场合,特别适用于安装空间狭小的场合;顶推杆无需安装,无需对中,顶推角90±3°,允许顶推极限运动速度为3m/s。(http://www.fx-sensor.com 010-51295202)
FL-904微型自恢复系列直线位移传感器系列参数表(http://www.fx-sensor.com 010-51295202)
|
公称行程规格 |
mm |
5 |
10 |
25 |
50 |
75 |
100 |
||
|
电阻行程(A.E) |
mm |
5 |
10 |
25.5 |
50.5 |
75.5 |
101 |
||
|
机械行程(M.T) |
mm |
9 |
14 |
29.5 |
54.5 |
79.5 |
105 |
||
|
相对线性精度(FS) |
±% |
1% |
0.5% |
0.3% |
|||||
|
电阻值±10% |
KΩ |
5 |
|||||||
|
解析度/分辨率 |
模拟 |
Infinite无限解析 |
|||||||
|
重复性精度 |
mm |
0.01 |
|||||||
|
最大工作速度 |
m/s |
3 |
|||||||
|
建议输出环电流 |
μA |
1 |
|||||||
|
使用温度环境 |
℃ |
-40℃ ~ +120℃ |
|||||||
|
输出信号类型 |
Vdc |
0~100%给定输入电压(随位移变化而比例变化),备注:作为指示用,不能带负载 |
|||||||
|
尺寸A |
mm |
39 |
44.5 |
60 |
85 |
110 |
135.5 |
||
|
重量(不含配件) |
g |
56 |
58.5 |
63 |
70 |
77 |
84 |
||
|
备注 |
|
内置弹簧 |
外置弹簧 |
||||||
外型图一
外观图一

外型图二

外观图二
FL-904微型自恢复系列直线位移传感器,有效行程5mm~100mm,两端均有2mm缓冲行程,精度1%~0.3%FS。外壳表面阳极处理,防腐蚀;内置导电塑料测量单元,无温漂,寿命长;具有自动电气接地功能。密封等级为IP67,有直接出线和五芯插头插座输出两种选择,可以适用在大多数通用场合,特别适用于安装空间狭小的场合;顶推杆无需安装,无需对中,顶推角90±3°,允许顶推极限运动速度为3m/s。(http://www.fx-sensor.com 010-51295202)
FL-904微型自恢复系列直线位移传感器系列参数表(http://www.fx-sensor.com 010-51295202)
|
公称行程规格 |
mm |
5 |
10 |
25 |
50 |
75 |
100 |
||
|
电阻行程(A.E) |
mm |
5 |
10 |
25.5 |
50.5 |
75.5 |
101 |
||
|
机械行程(M.T) |
mm |
9 |
14 |
29.5 |
54.5 |
79.5 |
105 |
||
|
相对线性精度(FS) |
±% |
1% |
0.5% |
0.3% |
|||||
|
电阻值±10% |
KΩ |
5 |
|||||||
|
解析度/分辨率 |
模拟 |
Infinite无限解析 |
|||||||
|
重复性精度 |
mm |
0.01 |
|||||||
|
最大工作速度 |
m/s |
3 |
|||||||
|
建议输出环电流 |
μA |
1 |
|||||||
|
使用温度环境 |
℃ |
-40℃ ~ +120℃ |
|||||||
|
输出信号类型 |
Vdc |
0~100%给定输入电压(随位移变化而比例变化),备注:作为指示用,不能带负载 |
|||||||
|
尺寸A |
mm |
39 |
44.5 |
60 |
85 |
110 |
135.5 |
||
|
重量(不含配件) |
g |
56 |
58.5 |
63 |
70 |
77 |
84 |
||
|
备注 |
|
内置弹簧 |
外置弹簧 |
||||||
外型图一
外观图一

外型图二

外观图二
FL-904微型自恢复系列直线位移传感器,有效行程5mm~100mm,两端均有2mm缓冲行程,精度1%~0.3%FS。外壳表面阳极处理,防腐蚀;内置导电塑料测量单元,无温漂,寿命长;具有自动电气接地功能。密封等级为IP67,有直接出线和五芯插头插座输出两种选择,可以适用在大多数通用场合,特别适用于安装空间狭小的场合;顶推杆无需安装,无需对中,顶推角90±3°,允许顶推极限运动速度为3m/s。(http://www.fx-sensor.com 010-51295202)
FL-904微型自恢复系列直线位移传感器系列参数表(http://www.fx-sensor.com 010-51295202)
|
公称行程规格 |
mm |
5 |
10 |
25 |
50 |
75 |
100 |
||
|
电阻行程(A.E) |
mm |
5 |
10 |
25.5 |
50.5 |
75.5 |
101 |
||
|
机械行程(M.T) |
mm |
9 |
14 |
29.5 |
54.5 |
79.5 |
105 |
||
|
相对线性精度(FS) |
±% |
1% |
0.5% |
0.3% |
|||||
|
电阻值±10% |
KΩ |
5 |
|||||||
|
解析度/分辨率 |
模拟 |
Infinite无限解析 |
|||||||
|
重复性精度 |
mm |
0.01 |
|||||||
|
最大工作速度 |
m/s |
3 |
|||||||
|
建议输出环电流 |
μA |
1 |
|||||||
|
使用温度环境 |
℃ |
-40℃ ~ +120℃ |
|||||||
|
输出信号类型 |
Vdc |
0~100%给定输入电压(随位移变化而比例变化),备注:作为指示用,不能带负载 |
|||||||
|
尺寸A |
mm |
39 |
44.5 |
60 |
85 |
110 |
135.5 |
||
|
重量(不含配件) |
g |
56 |
58.5 |
63 |
70 |
77 |
84 |
||
|
备注 |
|
内置弹簧 |
外置弹簧 |
||||||
外型图一
外观图一

外型图二

外观图二

京公网安备 11011402011664号 京ICP备09029331号-22 QQ:987268138 E-mail:wjxyxy@126.com