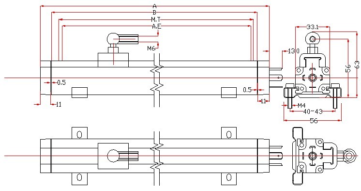
FL-931磁感应滑块系列位移传感器,有效行程75mm~2500mm,两端均有4mm缓冲行程,精度0.15%~0.04%FS。外壳表面阳极处理,防腐蚀; 内置导电塑料测量单元,无温漂,寿命长;具有自动电气接地功能。密封等级为IP67,DIN430650标准插头插座,可以适用在大多数通用场合,特别是长度方向受到限制,对中较困难的场合;拉杆配合球头具有10mm自动校正功能,允许极限运动速度为10m/s。
FL-931磁吸滑块系列参数表(表一)(http://www.fx-sensor.com 010-51295202)
|
公称行程规格 |
mm |
75 |
100 |
125 |
150 |
175 |
200 |
225 |
250 |
275 |
300 |
325 |
350 |
|
电阻行程(A.E) |
mm |
75.5 |
101 |
126 |
151 |
176.5 |
201.5 |
226.5 |
252 |
277 |
302 |
327.5 |
352.5 |
|
机械行程(M.T) |
mm |
83 |
108 |
133 |
158 |
184 |
209 |
234 |
259 |
284 |
309 |
335 |
360 |
|
相对线性精度(FS) |
±% |
0.15 |
0.08 |
0.05 |
|||||||||
|
电阻值±10% |
KΩ |
5 |
|||||||||||
|
解析度/分辨率 |
模拟 |
Infinite无限解析 |
|||||||||||
|
重复性精度 |
mm |
0.01 |
|||||||||||
|
最大工作速度 |
m/s |
10 |
|||||||||||
|
建议输出环电流 |
μA |
1 |
|||||||||||
|
使用温度环境 |
℃ |
-40℃ ~ +120℃ |
|||||||||||
|
输出信号类型 |
Vdc |
0~100%给定输入电压(随位移变化而比例变化),备注:作为指示用,不能带负载 |
|||||||||||
|
尺寸A |
mm |
131.5 |
157 |
182 |
207 |
232.5 |
257.5 |
282.5 |
308 |
333 |
358 |
383.5 |
408.5 |
|
重量(不含配件) |
g |
143 |
164.5 |
186 |
207.5 |
229 |
250 |
271.5 |
293 |
314.5 |
336 |
357.5 |
380 |
FL-931磁吸滑块系列参数表(表二)(http://www.fx-sensor.com 010-51295202)
|
公称行程规格 |
mm |
375 |
400 |
425 |
450 |
475 |
500 |
550 |
600 |
650 |
700 |
750 |
800 |
|
电阻行程(A.E) |
mm |
377.5 |
403 |
428 |
453 |
478.5 |
503.5 |
553.5 |
604 |
654 |
704.5 |
754.5 |
805 |
|
机械行程(M.T) |
mm |
385 |
410 |
435 |
460 |
486 |
511 |
561 |
611 |
661 |
712 |
762 |
812 |
|
相对线性精度(FS) |
±% |
0.05 |
0.04 |
||||||||||
|
电阻值±10% |
KΩ |
5 |
10 |
||||||||||
|
解析度/分辨率 |
模拟 |
Infinite无限解析 |
|||||||||||
|
重复性精度 |
mm |
0.01 |
|||||||||||
|
最大工作速度 |
m/s |
10 |
|||||||||||
|
建议输出环电流 |
μA |
10 |
|||||||||||
|
使用温度环境 |
℃ |
-40℃ ~ +120℃ |
|||||||||||
|
输出信号类型 |
Vdc |
0~100%给定输入电压(随位移变化而比例变化),备注:作为指示用,不能带负载 |
|||||||||||
|
尺寸A |
mm |
433.5 |
459 |
484 |
509 |
534.5 |
559.5 |
609.5 |
660 |
710 |
760.5 |
810.5 |
861 |
|
重量(不含配件) |
g |
401 |
423 |
445 |
467 |
489 |
511 |
533.5 |
556 |
578.5 |
601 |
623.5 |
646 |
FL-931磁吸滑块系列参数表(表三)(http://www.fx-sensor.com 010-51295202)
|
公称行程规格 |
mm |
850 |
900 |
950 |
1000 |
1150 |
1250 |
1350 |
1500 |
1600 |
1800 |
2000 |
2250 |
2500 |
||||||||||
|
电阻行程(A.E) |
mm |
855 |
905.5 |
955.5 |
1006 |
1158 |
1259 |
1360 |
1511 |
1612 |
1813 |
2013 |
2264 |
2514 |
||||||||||
|
机械行程(M.T) |
mm |
862 |
912.5 |
962.5 |
1013 |
1165 |
1266 |
1367 |
1518 |
1619 |
1820 |
2020 |
2271 |
2521 |
||||||||||
|
相对线性精度(FS) |
±% |
0.04 |
||||||||||||||||||||||
|
电阻值±10% |
KΩ |
10 |
20 |
|||||||||||||||||||||
|
解析度/分辨率 |
模拟 |
Infinite无限解析 |
||||||||||||||||||||||
|
重复性精度 |
mm |
0.01 |
||||||||||||||||||||||
|
最大工作速度 |
m/s |
10 |
||||||||||||||||||||||
|
建议输出环电流 |
μA |
10 |
||||||||||||||||||||||
|
使用温度环境 |
℃ |
-40℃ ~ +120℃ |
||||||||||||||||||||||
|
输出信号类型 |
Vdc |
0~100%给定输入电压(随位移变化而比例变化),备注:作为指示用,不能带负载 |
||||||||||||||||||||||
|
尺寸A |
mm |
911 |
961.5 |
1011.5 |
1062 |
1214 |
1315 |
1567 |
1668 |
1869 |
2069 |
2320 |
2570 |
|||||||||||
|
重量(不含配件) |
g |
668.5 |
691 |
713.5 |
736 |
759 |
782.5 |
806.5 |
831 |
856 |
882 |
908 |
935 |
|||||||||||
FL-931磁感应滑块系列位移传感器,有效行程75mm~2500mm,两端均有4mm缓冲行程,精度0.15%~0.04%FS。外壳表面阳极处理,防腐蚀; 内置导电塑料测量单元,无温漂,寿命长;具有自动电气接地功能。密封等级为IP67,DIN430650标准插头插座,可以适用在大多数通用场合,特别是长度方向受到限制,对中较困难的场合;拉杆配合球头具有10mm自动校正功能,允许极限运动速度为10m/s。
FL-931磁吸滑块系列参数表(表一)(http://www.fx-sensor.com 010-51295202)
|
公称行程规格 |
mm |
75 |
100 |
125 |
150 |
175 |
200 |
225 |
250 |
275 |
300 |
325 |
350 |
|
电阻行程(A.E) |
mm |
75.5 |
101 |
126 |
151 |
176.5 |
201.5 |
226.5 |
252 |
277 |
302 |
327.5 |
352.5 |
|
机械行程(M.T) |
mm |
83 |
108 |
133 |
158 |
184 |
209 |
234 |
259 |
284 |
309 |
335 |
360 |
|
相对线性精度(FS) |
±% |
0.15 |
0.08 |
0.05 |
|||||||||
|
电阻值±10% |
KΩ |
5 |
|||||||||||
|
解析度/分辨率 |
模拟 |
Infinite无限解析 |
|||||||||||
|
重复性精度 |
mm |
0.01 |
|||||||||||
|
最大工作速度 |
m/s |
10 |
|||||||||||
|
建议输出环电流 |
μA |
1 |
|||||||||||
|
使用温度环境 |
℃ |
-40℃ ~ +120℃ |
|||||||||||
|
输出信号类型 |
Vdc |
0~100%给定输入电压(随位移变化而比例变化),备注:作为指示用,不能带负载 |
|||||||||||
|
尺寸A |
mm |
131.5 |
157 |
182 |
207 |
232.5 |
257.5 |
282.5 |
308 |
333 |
358 |
383.5 |
408.5 |
|
重量(不含配件) |
g |
143 |
164.5 |
186 |
207.5 |
229 |
250 |
271.5 |
293 |
314.5 |
336 |
357.5 |
380 |
FL-931磁吸滑块系列参数表(表二)(http://www.fx-sensor.com 010-51295202)
|
公称行程规格 |
mm |
375 |
400 |
425 |
450 |
475 |
500 |
550 |
600 |
650 |
700 |
750 |
800 |
|
电阻行程(A.E) |
mm |
377.5 |
403 |
428 |
453 |
478.5 |
503.5 |
553.5 |
604 |
654 |
704.5 |
754.5 |
805 |
|
机械行程(M.T) |
mm |
385 |
410 |
435 |
460 |
486 |
511 |
561 |
611 |
661 |
712 |
762 |
812 |
|
相对线性精度(FS) |
±% |
0.05 |
0.04 |
||||||||||
|
电阻值±10% |
KΩ |
5 |
10 |
||||||||||
|
解析度/分辨率 |
模拟 |
Infinite无限解析 |
|||||||||||
|
重复性精度 |
mm |
0.01 |
|||||||||||
|
最大工作速度 |
m/s |
10 |
|||||||||||
|
建议输出环电流 |
μA |
10 |
|||||||||||
|
使用温度环境 |
℃ |
-40℃ ~ +120℃ |
|||||||||||
|
输出信号类型 |
Vdc |
0~100%给定输入电压(随位移变化而比例变化),备注:作为指示用,不能带负载 |
|||||||||||
|
尺寸A |
mm |
433.5 |
459 |
484 |
509 |
534.5 |
559.5 |
609.5 |
660 |
710 |
760.5 |
810.5 |
861 |
|
重量(不含配件) |
g |
401 |
423 |
445 |
467 |
489 |
511 |
533.5 |
556 |
578.5 |
601 |
623.5 |
646 |
FL-931磁吸滑块系列参数表(表三)(http://www.fx-sensor.com 010-51295202)
|
公称行程规格 |
mm |
850 |
900 |
950 |
1000 |
1150 |
1250 |
1350 |
1500 |
1600 |
1800 |
2000 |
2250 |
2500 |
||||||||||
|
电阻行程(A.E) |
mm |
855 |
905.5 |
955.5 |
1006 |
1158 |
1259 |
1360 |
1511 |
1612 |
1813 |
2013 |
2264 |
2514 |
||||||||||
|
机械行程(M.T) |
mm |
862 |
912.5 |
962.5 |
1013 |
1165 |
1266 |
1367 |
1518 |
1619 |
1820 |
2020 |
2271 |
2521 |
||||||||||
|
相对线性精度(FS) |
±% |
0.04 |
||||||||||||||||||||||
|
电阻值±10% |
KΩ |
10 |
20 |
|||||||||||||||||||||
|
解析度/分辨率 |
模拟 |
Infinite无限解析 |
||||||||||||||||||||||
|
重复性精度 |
mm |
0.01 |
||||||||||||||||||||||
|
最大工作速度 |
m/s |
10 |
||||||||||||||||||||||
|
建议输出环电流 |
μA |
10 |
||||||||||||||||||||||
|
使用温度环境 |
℃ |
-40℃ ~ +120℃ |
||||||||||||||||||||||
|
输出信号类型 |
Vdc |
0~100%给定输入电压(随位移变化而比例变化),备注:作为指示用,不能带负载 |
||||||||||||||||||||||
|
尺寸A |
mm |
911 |
961.5 |
1011.5 |
1062 |
1214 |
1315 |
1567 |
1668 |
1869 |
2069 |
2320 |
2570 |
|||||||||||
|
重量(不含配件) |
g |
668.5 |
691 |
713.5 |
736 |
759 |
782.5 |
806.5 |
831 |
856 |
882 |
908 |
935 |
|||||||||||
FL-931磁感应滑块系列位移传感器,有效行程75mm~2500mm,两端均有4mm缓冲行程,精度0.15%~0.04%FS。外壳表面阳极处理,防腐蚀; 内置导电塑料测量单元,无温漂,寿命长;具有自动电气接地功能。密封等级为IP67,DIN430650标准插头插座,可以适用在大多数通用场合,特别是长度方向受到限制,对中较困难的场合;拉杆配合球头具有10mm自动校正功能,允许极限运动速度为10m/s。
FL-931磁吸滑块系列参数表(表一)(http://www.fx-sensor.com 010-51295202)
|
公称行程规格 |
mm |
75 |
100 |
125 |
150 |
175 |
200 |
225 |
250 |
275 |
300 |
325 |
350 |
|
电阻行程(A.E) |
mm |
75.5 |
101 |
126 |
151 |
176.5 |
201.5 |
226.5 |
252 |
277 |
302 |
327.5 |
352.5 |
|
机械行程(M.T) |
mm |
83 |
108 |
133 |
158 |
184 |
209 |
234 |
259 |
284 |
309 |
335 |
360 |
|
相对线性精度(FS) |
±% |
0.15 |
0.08 |
0.05 |
|||||||||
|
电阻值±10% |
KΩ |
5 |
|||||||||||
|
解析度/分辨率 |
模拟 |
Infinite无限解析 |
|||||||||||
|
重复性精度 |
mm |
0.01 |
|||||||||||
|
最大工作速度 |
m/s |
10 |
|||||||||||
|
建议输出环电流 |
μA |
1 |
|||||||||||
|
使用温度环境 |
℃ |
-40℃ ~ +120℃ |
|||||||||||
|
输出信号类型 |
Vdc |
0~100%给定输入电压(随位移变化而比例变化),备注:作为指示用,不能带负载 |
|||||||||||
|
尺寸A |
mm |
131.5 |
157 |
182 |
207 |
232.5 |
257.5 |
282.5 |
308 |
333 |
358 |
383.5 |
408.5 |
|
重量(不含配件) |
g |
143 |
164.5 |
186 |
207.5 |
229 |
250 |
271.5 |
293 |
314.5 |
336 |
357.5 |
380 |
FL-931磁吸滑块系列参数表(表二)(http://www.fx-sensor.com 010-51295202)
|
公称行程规格 |
mm |
375 |
400 |
425 |
450 |
475 |
500 |
550 |
600 |
650 |
700 |
750 |
800 |
|
电阻行程(A.E) |
mm |
377.5 |
403 |
428 |
453 |
478.5 |
503.5 |
553.5 |
604 |
654 |
704.5 |
754.5 |
805 |
|
机械行程(M.T) |
mm |
385 |
410 |
435 |
460 |
486 |
511 |
561 |
611 |
661 |
712 |
762 |
812 |
|
相对线性精度(FS) |
±% |
0.05 |
0.04 |
||||||||||
|
电阻值±10% |
KΩ |
5 |
10 |
||||||||||
|
解析度/分辨率 |
模拟 |
Infinite无限解析 |
|||||||||||
|
重复性精度 |
mm |
0.01 |
|||||||||||
|
最大工作速度 |
m/s |
10 |
|||||||||||
|
建议输出环电流 |
μA |
10 |
|||||||||||
|
使用温度环境 |
℃ |
-40℃ ~ +120℃ |
|||||||||||
|
输出信号类型 |
Vdc |
0~100%给定输入电压(随位移变化而比例变化),备注:作为指示用,不能带负载 |
|||||||||||
|
尺寸A |
mm |
433.5 |
459 |
484 |
509 |
534.5 |
559.5 |
609.5 |
660 |
710 |
760.5 |
810.5 |
861 |
|
重量(不含配件) |
g |
401 |
423 |
445 |
467 |
489 |
511 |
533.5 |
556 |
578.5 |
601 |
623.5 |
646 |
FL-931磁吸滑块系列参数表(表三)(http://www.fx-sensor.com 010-51295202)
|
公称行程规格 |
mm |
850 |
900 |
950 |
1000 |
1150 |
1250 |
1350 |
1500 |
1600 |
1800 |
2000 |
2250 |
2500 |
||||||||||
|
电阻行程(A.E) |
mm |
855 |
905.5 |
955.5 |
1006 |
1158 |
1259 |
1360 |
1511 |
1612 |
1813 |
2013 |
2264 |
2514 |
||||||||||
|
机械行程(M.T) |
mm |
862 |
912.5 |
962.5 |
1013 |
1165 |
1266 |
1367 |
1518 |
1619 |
1820 |
2020 |
2271 |
2521 |
||||||||||
|
相对线性精度(FS) |
±% |
0.04 |
||||||||||||||||||||||
|
电阻值±10% |
KΩ |
10 |
20 |
|||||||||||||||||||||
|
解析度/分辨率 |
模拟 |
Infinite无限解析 |
||||||||||||||||||||||
|
重复性精度 |
mm |
0.01 |
||||||||||||||||||||||
|
最大工作速度 |
m/s |
10 |
||||||||||||||||||||||
|
建议输出环电流 |
μA |
10 |
||||||||||||||||||||||
|
使用温度环境 |
℃ |
-40℃ ~ +120℃ |
||||||||||||||||||||||
|
输出信号类型 |
Vdc |
0~100%给定输入电压(随位移变化而比例变化),备注:作为指示用,不能带负载 |
||||||||||||||||||||||
|
尺寸A |
mm |
911 |
961.5 |
1011.5 |
1062 |
1214 |
1315 |
1567 |
1668 |
1869 |
2069 |
2320 |
2570 |
|||||||||||
|
重量(不含配件) |
g |
668.5 |
691 |
713.5 |
736 |
759 |
782.5 |
806.5 |
831 |
856 |
882 |
908 |
935 |
|||||||||||
FL-931磁感应滑块系列位移传感器,有效行程75mm~2500mm,两端均有4mm缓冲行程,精度0.15%~0.04%FS。外壳表面阳极处理,防腐蚀; 内置导电塑料测量单元,无温漂,寿命长;具有自动电气接地功能。密封等级为IP67,DIN430650标准插头插座,可以适用在大多数通用场合,特别是长度方向受到限制,对中较困难的场合;拉杆配合球头具有10mm自动校正功能,允许极限运动速度为10m/s。
FL-931磁吸滑块系列参数表(表一)(http://www.fx-sensor.com 010-51295202)
|
公称行程规格 |
mm |
75 |
100 |
125 |
150 |
175 |
200 |
225 |
250 |
275 |
300 |
325 |
350 |
|
电阻行程(A.E) |
mm |
75.5 |
101 |
126 |
151 |
176.5 |
201.5 |
226.5 |
252 |
277 |
302 |
327.5 |
352.5 |
|
机械行程(M.T) |
mm |
83 |
108 |
133 |
158 |
184 |
209 |
234 |
259 |
284 |
309 |
335 |
360 |
|
相对线性精度(FS) |
±% |
0.15 |
0.08 |
0.05 |
|||||||||
|
电阻值±10% |
KΩ |
5 |
|||||||||||
|
解析度/分辨率 |
模拟 |
Infinite无限解析 |
|||||||||||
|
重复性精度 |
mm |
0.01 |
|||||||||||
|
最大工作速度 |
m/s |
10 |
|||||||||||
|
建议输出环电流 |
μA |
1 |
|||||||||||
|
使用温度环境 |
℃ |
-40℃ ~ +120℃ |
|||||||||||
|
输出信号类型 |
Vdc |
0~100%给定输入电压(随位移变化而比例变化),备注:作为指示用,不能带负载 |
|||||||||||
|
尺寸A |
mm |
131.5 |
157 |
182 |
207 |
232.5 |
257.5 |
282.5 |
308 |
333 |
358 |
383.5 |
408.5 |
|
重量(不含配件) |
g |
143 |
164.5 |
186 |
207.5 |
229 |
250 |
271.5 |
293 |
314.5 |
336 |
357.5 |
380 |
FL-931磁吸滑块系列参数表(表二)(http://www.fx-sensor.com 010-51295202)
|
公称行程规格 |
mm |
375 |
400 |
425 |
450 |
475 |
500 |
550 |
600 |
650 |
700 |
750 |
800 |
|
电阻行程(A.E) |
mm |
377.5 |
403 |
428 |
453 |
478.5 |
503.5 |
553.5 |
604 |
654 |
704.5 |
754.5 |
805 |
|
机械行程(M.T) |
mm |
385 |
410 |
435 |
460 |
486 |
511 |
561 |
611 |
661 |
712 |
762 |
812 |
|
相对线性精度(FS) |
±% |
0.05 |
0.04 |
||||||||||
|
电阻值±10% |
KΩ |
5 |
10 |
||||||||||
|
解析度/分辨率 |
模拟 |
Infinite无限解析 |
|||||||||||
|
重复性精度 |
mm |
0.01 |
|||||||||||
|
最大工作速度 |
m/s |
10 |
|||||||||||
|
建议输出环电流 |
μA |
10 |
|||||||||||
|
使用温度环境 |
℃ |
-40℃ ~ +120℃ |
|||||||||||
|
输出信号类型 |
Vdc |
0~100%给定输入电压(随位移变化而比例变化),备注:作为指示用,不能带负载 |
|||||||||||
|
尺寸A |
mm |
433.5 |
459 |
484 |
509 |
534.5 |
559.5 |
609.5 |
660 |
710 |
760.5 |
810.5 |
861 |
|
重量(不含配件) |
g |
401 |
423 |
445 |
467 |
489 |
511 |
533.5 |
556 |
578.5 |
601 |
623.5 |
646 |
FL-931磁吸滑块系列参数表(表三)(http://www.fx-sensor.com 010-51295202)
|
公称行程规格 |
mm |
850 |
900 |
950 |
1000 |
1150 |
1250 |
1350 |
1500 |
1600 |
1800 |
2000 |
2250 |
2500 |
||||||||||
|
电阻行程(A.E) |
mm |
855 |
905.5 |
955.5 |
1006 |
1158 |
1259 |
1360 |
1511 |
1612 |
1813 |
2013 |
2264 |
2514 |
||||||||||
|
机械行程(M.T) |
mm |
862 |
912.5 |
962.5 |
1013 |
1165 |
1266 |
1367 |
1518 |
1619 |
1820 |
2020 |
2271 |
2521 |
||||||||||
|
相对线性精度(FS) |
±% |
0.04 |
||||||||||||||||||||||
|
电阻值±10% |
KΩ |
10 |
20 |
|||||||||||||||||||||
|
解析度/分辨率 |
模拟 |
Infinite无限解析 |
||||||||||||||||||||||
|
重复性精度 |
mm |
0.01 |
||||||||||||||||||||||
|
最大工作速度 |
m/s |
10 |
||||||||||||||||||||||
|
建议输出环电流 |
μA |
10 |
||||||||||||||||||||||
|
使用温度环境 |
℃ |
-40℃ ~ +120℃ |
||||||||||||||||||||||
|
输出信号类型 |
Vdc |
0~100%给定输入电压(随位移变化而比例变化),备注:作为指示用,不能带负载 |
||||||||||||||||||||||
|
尺寸A |
mm |
911 |
961.5 |
1011.5 |
1062 |
1214 |
1315 |
1567 |
1668 |
1869 |
2069 |
2320 |
2570 |
|||||||||||
|
重量(不含配件) |
g |
668.5 |
691 |
713.5 |
736 |
759 |
782.5 |
806.5 |
831 |
856 |
882 |
908 |
935 |
|||||||||||
FL-931磁感应滑块系列位移传感器,有效行程75mm~2500mm,两端均有4mm缓冲行程,精度0.15%~0.04%FS。外壳表面阳极处理,防腐蚀; 内置导电塑料测量单元,无温漂,寿命长;具有自动电气接地功能。密封等级为IP67,DIN430650标准插头插座,可以适用在大多数通用场合,特别是长度方向受到限制,对中较困难的场合;拉杆配合球头具有10mm自动校正功能,允许极限运动速度为10m/s。
FL-931磁吸滑块系列参数表(表一)(http://www.fx-sensor.com 010-51295202)
|
公称行程规格 |
mm |
75 |
100 |
125 |
150 |
175 |
200 |
225 |
250 |
275 |
300 |
325 |
350 |
|
电阻行程(A.E) |
mm |
75.5 |
101 |
126 |
151 |
176.5 |
201.5 |
226.5 |
252 |
277 |
302 |
327.5 |
352.5 |
|
机械行程(M.T) |
mm |
83 |
108 |
133 |
158 |
184 |
209 |
234 |
259 |
284 |
309 |
335 |
360 |
|
相对线性精度(FS) |
±% |
0.15 |
0.08 |
0.05 |
|||||||||
|
电阻值±10% |
KΩ |
5 |
|||||||||||
|
解析度/分辨率 |
模拟 |
Infinite无限解析 |
|||||||||||
|
重复性精度 |
mm |
0.01 |
|||||||||||
|
最大工作速度 |
m/s |
10 |
|||||||||||
|
建议输出环电流 |
μA |
1 |
|||||||||||
|
使用温度环境 |
℃ |
-40℃ ~ +120℃ |
|||||||||||
|
输出信号类型 |
Vdc |
0~100%给定输入电压(随位移变化而比例变化),备注:作为指示用,不能带负载 |
|||||||||||
|
尺寸A |
mm |
131.5 |
157 |
182 |
207 |
232.5 |
257.5 |
282.5 |
308 |
333 |
358 |
383.5 |
408.5 |
|
重量(不含配件) |
g |
143 |
164.5 |
186 |
207.5 |
229 |
250 |
271.5 |
293 |
314.5 |
336 |
357.5 |
380 |
FL-931磁吸滑块系列参数表(表二)(http://www.fx-sensor.com 010-51295202)
|
公称行程规格 |
mm |
375 |
400 |
425 |
450 |
475 |
500 |
550 |
600 |
650 |
700 |
750 |
800 |
|
电阻行程(A.E) |
mm |
377.5 |
403 |
428 |
453 |
478.5 |
503.5 |
553.5 |
604 |
654 |
704.5 |
754.5 |
805 |
|
机械行程(M.T) |
mm |
385 |
410 |
435 |
460 |
486 |
511 |
561 |
611 |
661 |
712 |
762 |
812 |
|
相对线性精度(FS) |
±% |
0.05 |
0.04 |
||||||||||
|
电阻值±10% |
KΩ |
5 |
10 |
||||||||||
|
解析度/分辨率 |
模拟 |
Infinite无限解析 |
|||||||||||
|
重复性精度 |
mm |
0.01 |
|||||||||||
|
最大工作速度 |
m/s |
10 |
|||||||||||
|
建议输出环电流 |
μA |
10 |
|||||||||||
|
使用温度环境 |
℃ |
-40℃ ~ +120℃ |
|||||||||||
|
输出信号类型 |
Vdc |
0~100%给定输入电压(随位移变化而比例变化),备注:作为指示用,不能带负载 |
|||||||||||
|
尺寸A |
mm |
433.5 |
459 |
484 |
509 |
534.5 |
559.5 |
609.5 |
660 |
710 |
760.5 |
810.5 |
861 |
|
重量(不含配件) |
g |
401 |
423 |
445 |
467 |
489 |
511 |
533.5 |
556 |
578.5 |
601 |
623.5 |
646 |
FL-931磁吸滑块系列参数表(表三)(http://www.fx-sensor.com 010-51295202)
|
公称行程规格 |
mm |
850 |
900 |
950 |
1000 |
1150 |
1250 |
1350 |
1500 |
1600 |
1800 |
2000 |
2250 |
2500 |
||||||||||
|
电阻行程(A.E) |
mm |
855 |
905.5 |
955.5 |
1006 |
1158 |
1259 |
1360 |
1511 |
1612 |
1813 |
2013 |
2264 |
2514 |
||||||||||
|
机械行程(M.T) |
mm |
862 |
912.5 |
962.5 |
1013 |
1165 |
1266 |
1367 |
1518 |
1619 |
1820 |
2020 |
2271 |
2521 |
||||||||||
|
相对线性精度(FS) |
±% |
0.04 |
||||||||||||||||||||||
|
电阻值±10% |
KΩ |
10 |
20 |
|||||||||||||||||||||
|
解析度/分辨率 |
模拟 |
Infinite无限解析 |
||||||||||||||||||||||
|
重复性精度 |
mm |
0.01 |
||||||||||||||||||||||
|
最大工作速度 |
m/s |
10 |
||||||||||||||||||||||
|
建议输出环电流 |
μA |
10 |
||||||||||||||||||||||
|
使用温度环境 |
℃ |
-40℃ ~ +120℃ |
||||||||||||||||||||||
|
输出信号类型 |
Vdc |
0~100%给定输入电压(随位移变化而比例变化),备注:作为指示用,不能带负载 |
||||||||||||||||||||||
|
尺寸A |
mm |
911 |
961.5 |
1011.5 |
1062 |
1214 |
1315 |
1567 |
1668 |
1869 |
2069 |
2320 |
2570 |
|||||||||||
|
重量(不含配件) |
g |
668.5 |
691 |
713.5 |
736 |
759 |
782.5 |
806.5 |
831 |
856 |
882 |
908 |
935 |
|||||||||||

京公网安备 11011402011664号 京ICP备09029331号-22 QQ:987268138 E-mail:wjxyxy@126.com