FW-304 S型称重传感器
量程范围 :1t、1.5t、2t、5t、10t、20t、2klb、3klb、5klb、10klb、15klb、20klb、40klb
功能特点:传感器弹性体采用合金钢或者不锈钢材质;胶密封处理 ,表面镀镍,防水,防腐蚀,防护等级达到IP66。
应用范围: 广泛应用于电子吊钩秤、料斗秤、工艺秤、检测设备等各种称重测力设备。
|
技术指标明细: |
||
|
精度等级 : C2 |
灵敏度温度影响(%F.S/10℃): ±0.017 |
|
|
综合误差(%F.S) : ±0.03 |
零点温度影响(%F.S/10℃) : ±0.023 |
|
|
灵敏度(mv/v) : 2.0±0.004 |
温度补偿范围(℃ ) : -10~+40 |
|
|
蠕变(%F.S/30min) : ±0.03 |
使用温度影响(℃ ) : -20~+55 |
|
|
零点输出(%F.S) : ±1.0 |
激励电压(V) : 9~12(DC) |
|
|
输入阻抗(Ω) : 350±5 |
安全过载范围 (%F.S) : 150 |
|
|
输入阻抗(Ω) : 350±3 |
极限过载范围 (%F.S) : 200 |
|
|
绝缘电阻(MΩ) : ≥5000(100VDC) |
防护等级 : IP66 |
|
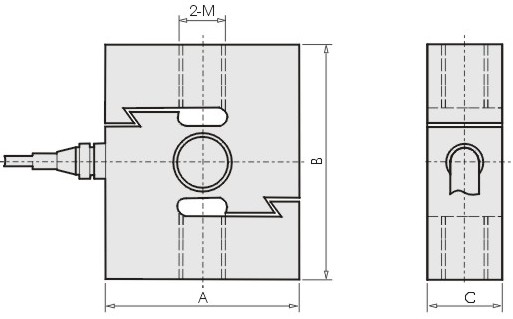
安装尺寸规格图 (单位mm): (http://www.fx-sensor.com 010-51295202)
接线方式:
红线: 输入 ( + ) 111 绿线: 输出 ( + )
黑线: 输入 ( - ) 111 白线: 输出 ( - )
备注:采用四芯屏蔽电缆,规格:φ5×3000mm,如有特殊需要,可根据客户要求提供!
受力示意图: (http://www.fx-sensor.com 010-51295202)
FW-304 S型称重传感器
量程范围 :1t、1.5t、2t、5t、10t、20t、2klb、3klb、5klb、10klb、15klb、20klb、40klb
功能特点:传感器弹性体采用合金钢或者不锈钢材质;胶密封处理 ,表面镀镍,防水,防腐蚀,防护等级达到IP66。
应用范围: 广泛应用于电子吊钩秤、料斗秤、工艺秤、检测设备等各种称重测力设备。
|
技术指标明细: |
||
|
精度等级 : C2 |
灵敏度温度影响(%F.S/10℃): ±0.017 |
|
|
综合误差(%F.S) : ±0.03 |
零点温度影响(%F.S/10℃) : ±0.023 |
|
|
灵敏度(mv/v) : 2.0±0.004 |
温度补偿范围(℃ ) : -10~+40 |
|
|
蠕变(%F.S/30min) : ±0.03 |
使用温度影响(℃ ) : -20~+55 |
|
|
零点输出(%F.S) : ±1.0 |
激励电压(V) : 9~12(DC) |
|
|
输入阻抗(Ω) : 350±5 |
安全过载范围 (%F.S) : 150 |
|
|
输入阻抗(Ω) : 350±3 |
极限过载范围 (%F.S) : 200 |
|
|
绝缘电阻(MΩ) : ≥5000(100VDC) |
防护等级 : IP66 |
|
安装尺寸规格图 (单位mm): (http://www.fx-sensor.com 010-51295202)
接线方式:
红线: 输入 ( + ) 111 绿线: 输出 ( + )
黑线: 输入 ( - ) 111 白线: 输出 ( - )
备注:采用四芯屏蔽电缆,规格:φ5×3000mm,如有特殊需要,可根据客户要求提供!
受力示意图: (http://www.fx-sensor.com 010-51295202)
FW-304 S型称重传感器
量程范围 :1t、1.5t、2t、5t、10t、20t、2klb、3klb、5klb、10klb、15klb、20klb、40klb
功能特点:传感器弹性体采用合金钢或者不锈钢材质;胶密封处理 ,表面镀镍,防水,防腐蚀,防护等级达到IP66。
应用范围: 广泛应用于电子吊钩秤、料斗秤、工艺秤、检测设备等各种称重测力设备。
|
技术指标明细: |
||
|
精度等级 : C2 |
灵敏度温度影响(%F.S/10℃): ±0.017 |
|
|
综合误差(%F.S) : ±0.03 |
零点温度影响(%F.S/10℃) : ±0.023 |
|
|
灵敏度(mv/v) : 2.0±0.004 |
温度补偿范围(℃ ) : -10~+40 |
|
|
蠕变(%F.S/30min) : ±0.03 |
使用温度影响(℃ ) : -20~+55 |
|
|
零点输出(%F.S) : ±1.0 |
激励电压(V) : 9~12(DC) |
|
|
输入阻抗(Ω) : 350±5 |
安全过载范围 (%F.S) : 150 |
|
|
输入阻抗(Ω) : 350±3 |
极限过载范围 (%F.S) : 200 |
|
|
绝缘电阻(MΩ) : ≥5000(100VDC) |
防护等级 : IP66 |
|
安装尺寸规格图 (单位mm): (http://www.fx-sensor.com 010-51295202)
接线方式:
红线: 输入 ( + ) 111 绿线: 输出 ( + )
黑线: 输入 ( - ) 111 白线: 输出 ( - )
备注:采用四芯屏蔽电缆,规格:φ5×3000mm,如有特殊需要,可根据客户要求提供!
受力示意图: (http://www.fx-sensor.com 010-51295202)
FW-304 S型称重传感器
量程范围 :1t、1.5t、2t、5t、10t、20t、2klb、3klb、5klb、10klb、15klb、20klb、40klb
功能特点:传感器弹性体采用合金钢或者不锈钢材质;胶密封处理 ,表面镀镍,防水,防腐蚀,防护等级达到IP66。
应用范围: 广泛应用于电子吊钩秤、料斗秤、工艺秤、检测设备等各种称重测力设备。
|
技术指标明细: |
||
|
精度等级 : C2 |
灵敏度温度影响(%F.S/10℃): ±0.017 |
|
|
综合误差(%F.S) : ±0.03 |
零点温度影响(%F.S/10℃) : ±0.023 |
|
|
灵敏度(mv/v) : 2.0±0.004 |
温度补偿范围(℃ ) : -10~+40 |
|
|
蠕变(%F.S/30min) : ±0.03 |
使用温度影响(℃ ) : -20~+55 |
|
|
零点输出(%F.S) : ±1.0 |
激励电压(V) : 9~12(DC) |
|
|
输入阻抗(Ω) : 350±5 |
安全过载范围 (%F.S) : 150 |
|
|
输入阻抗(Ω) : 350±3 |
极限过载范围 (%F.S) : 200 |
|
|
绝缘电阻(MΩ) : ≥5000(100VDC) |
防护等级 : IP66 |
|
安装尺寸规格图 (单位mm): (http://www.fx-sensor.com 010-51295202)
接线方式:
红线: 输入 ( + ) 111 绿线: 输出 ( + )
黑线: 输入 ( - ) 111 白线: 输出 ( - )
备注:采用四芯屏蔽电缆,规格:φ5×3000mm,如有特殊需要,可根据客户要求提供!
受力示意图: (http://www.fx-sensor.com 010-51295202)
FW-304 S型称重传感器
量程范围 :1t、1.5t、2t、5t、10t、20t、2klb、3klb、5klb、10klb、15klb、20klb、40klb
功能特点:传感器弹性体采用合金钢或者不锈钢材质;胶密封处理 ,表面镀镍,防水,防腐蚀,防护等级达到IP66。
应用范围: 广泛应用于电子吊钩秤、料斗秤、工艺秤、检测设备等各种称重测力设备。
|
技术指标明细: |
||
|
精度等级 : C2 |
灵敏度温度影响(%F.S/10℃): ±0.017 |
|
|
综合误差(%F.S) : ±0.03 |
零点温度影响(%F.S/10℃) : ±0.023 |
|
|
灵敏度(mv/v) : 2.0±0.004 |
温度补偿范围(℃ ) : -10~+40 |
|
|
蠕变(%F.S/30min) : ±0.03 |
使用温度影响(℃ ) : -20~+55 |
|
|
零点输出(%F.S) : ±1.0 |
激励电压(V) : 9~12(DC) |
|
|
输入阻抗(Ω) : 350±5 |
安全过载范围 (%F.S) : 150 |
|
|
输入阻抗(Ω) : 350±3 |
极限过载范围 (%F.S) : 200 |
|
|
绝缘电阻(MΩ) : ≥5000(100VDC) |
防护等级 : IP66 |
|
安装尺寸规格图 (单位mm): (http://www.fx-sensor.com 010-51295202)
接线方式:
红线: 输入 ( + ) 111 绿线: 输出 ( + )
黑线: 输入 ( - ) 111 白线: 输出 ( - )
备注:采用四芯屏蔽电缆,规格:φ5×3000mm,如有特殊需要,可根据客户要求提供!
受力示意图: (http://www.fx-sensor.com 010-51295202)

京公网安备 11011402011664号 京ICP备09029331号-22 QQ:987268138 E-mail:wjxyxy@126.com