FL-601型平膜液位变送器(钛硅-蓝宝石)
|
|
|
|
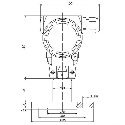
FL-601型平膜液位变送器采用俄罗斯进口的钛/硅-蓝宝石干式平膜压力传感器,并通过高可靠性放大电路及精密温度补偿,将被测液体的液位信号转换成各种标准信号。该系列液位变送器的零点和量程在接线盒内连续可调,可带数字现场显示。适用于与钛合金皆容的各种液体的液位测量。 |
|
|
|
||||||||||||||||||||
|
◆测量范围宽:0~0.3m至0~120m |
◆航空、航天领域 |
||||||||||||||||||||
|
|
|
||||||||||||||||||||
|
|||||||||||||||||||||
|
|
|||||||||||||||||||||
FL-601型平膜液位变送器(钛硅-蓝宝石)
|
|
|
|
FL-601型平膜液位变送器采用俄罗斯进口的钛/硅-蓝宝石干式平膜压力传感器,并通过高可靠性放大电路及精密温度补偿,将被测液体的液位信号转换成各种标准信号。该系列液位变送器的零点和量程在接线盒内连续可调,可带数字现场显示。适用于与钛合金皆容的各种液体的液位测量。 |
|
|
|
||||||||||||||||||||
|
◆测量范围宽:0~0.3m至0~120m |
◆航空、航天领域 |
||||||||||||||||||||
|
|
|
||||||||||||||||||||
|
|||||||||||||||||||||
|
|
|||||||||||||||||||||
FL-601型平膜液位变送器(钛硅-蓝宝石)
|
|
|
|
FL-601型平膜液位变送器采用俄罗斯进口的钛/硅-蓝宝石干式平膜压力传感器,并通过高可靠性放大电路及精密温度补偿,将被测液体的液位信号转换成各种标准信号。该系列液位变送器的零点和量程在接线盒内连续可调,可带数字现场显示。适用于与钛合金皆容的各种液体的液位测量。 |
|
|
|
||||||||||||||||||||
|
◆测量范围宽:0~0.3m至0~120m |
◆航空、航天领域 |
||||||||||||||||||||
|
|
|
||||||||||||||||||||
|
|||||||||||||||||||||
|
|
|||||||||||||||||||||
FL-601型平膜液位变送器(钛硅-蓝宝石)
|
|
|
|
FL-601型平膜液位变送器采用俄罗斯进口的钛/硅-蓝宝石干式平膜压力传感器,并通过高可靠性放大电路及精密温度补偿,将被测液体的液位信号转换成各种标准信号。该系列液位变送器的零点和量程在接线盒内连续可调,可带数字现场显示。适用于与钛合金皆容的各种液体的液位测量。 |
|
|
|
||||||||||||||||||||
|
◆测量范围宽:0~0.3m至0~120m |
◆航空、航天领域 |
||||||||||||||||||||
|
|
|
||||||||||||||||||||
|
|||||||||||||||||||||
|
|
|||||||||||||||||||||
FL-601型平膜液位变送器(钛硅-蓝宝石)
|
|
|
|
FL-601型平膜液位变送器采用俄罗斯进口的钛/硅-蓝宝石干式平膜压力传感器,并通过高可靠性放大电路及精密温度补偿,将被测液体的液位信号转换成各种标准信号。该系列液位变送器的零点和量程在接线盒内连续可调,可带数字现场显示。适用于与钛合金皆容的各种液体的液位测量。 |
|
|
|
||||||||||||||||||||
|
◆测量范围宽:0~0.3m至0~120m |
◆航空、航天领域 |
||||||||||||||||||||
|
|
|
||||||||||||||||||||
|
|||||||||||||||||||||
|
|
|||||||||||||||||||||

京公网安备 11011402011664号 京ICP备09029331号-22 QQ:987268138 E-mail:wjxyxy@126.com