FPC-08系列OEM硅压阻式压力芯体
FPC-08系列OEM硅压阻式压力芯体是采用了FPC-10的制造技术,为高压力应用场合而设计,外径小,使芯体在安装后所承受的力大大减小。
特点
√ 进口压力芯片
√ 高性能、全固态、高可靠性
√ 直径小 (http://www.fx-sensor.com 010-51295202)
√ 18个月质保期
技术性能
电桥电阻: 3KΩ~6KΩ
供电电源: 恒流1.5mA、恒压10V
使用温度: -45℃~125℃
补偿范围: -10℃~70℃
壳体和膜片: 不锈钢316L
精度:0.25 %FS
零点:±2mV (http://www.fx-sensor.com 010-51295202)
满量程:≥100mV(典型)
零点温漂:0.02 %FS/℃
灵敏度温漂:0.02 %FS/℃
绝缘: 100MΩ/250VDC
长时间稳定性:0.2 %FS/年
充油: 硅油、橄榄油(卫生型)
响应时间:≤50μm(上升到90%FS)
振动:20g/(20~5000Hz)
耐用性周期:>100×106 FS
量程选择
A 绝压(真空为零点) (http://www.fx-sensor.com 010-51295202)
|
量程MPa |
1.00 |
1.6 |
2.5 |
4 |
- |
- |
|
过载% |
200 |
200 |
200 |
200 |
- |
- |
S 密封式表压(校准大气压为零点)
|
量程MPa |
1.0 |
1.6 |
2.5 |
4 |
6 |
10 |
25 |
40 |
60 |
|
过载% |
200 |
200 |
200 |
200 |
150 |
150 |
150 |
150 |
150 |
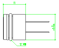
外形结构
FPC-08系列OEM硅压阻式压力芯体
FPC-08系列OEM硅压阻式压力芯体是采用了FPC-10的制造技术,为高压力应用场合而设计,外径小,使芯体在安装后所承受的力大大减小。
特点
√ 进口压力芯片
√ 高性能、全固态、高可靠性
√ 直径小 (http://www.fx-sensor.com 010-51295202)
√ 18个月质保期
技术性能
电桥电阻: 3KΩ~6KΩ
供电电源: 恒流1.5mA、恒压10V
使用温度: -45℃~125℃
补偿范围: -10℃~70℃
壳体和膜片: 不锈钢316L
精度:0.25 %FS
零点:±2mV (http://www.fx-sensor.com 010-51295202)
满量程:≥100mV(典型)
零点温漂:0.02 %FS/℃
灵敏度温漂:0.02 %FS/℃
绝缘: 100MΩ/250VDC
长时间稳定性:0.2 %FS/年
充油: 硅油、橄榄油(卫生型)
响应时间:≤50μm(上升到90%FS)
振动:20g/(20~5000Hz)
耐用性周期:>100×106 FS
量程选择
A 绝压(真空为零点) (http://www.fx-sensor.com 010-51295202)
|
量程MPa |
1.00 |
1.6 |
2.5 |
4 |
- |
- |
|
过载% |
200 |
200 |
200 |
200 |
- |
- |
S 密封式表压(校准大气压为零点)
|
量程MPa |
1.0 |
1.6 |
2.5 |
4 |
6 |
10 |
25 |
40 |
60 |
|
过载% |
200 |
200 |
200 |
200 |
150 |
150 |
150 |
150 |
150 |
外形结构
FPC-08系列OEM硅压阻式压力芯体
FPC-08系列OEM硅压阻式压力芯体是采用了FPC-10的制造技术,为高压力应用场合而设计,外径小,使芯体在安装后所承受的力大大减小。
特点
√ 进口压力芯片
√ 高性能、全固态、高可靠性
√ 直径小 (http://www.fx-sensor.com 010-51295202)
√ 18个月质保期
技术性能
电桥电阻: 3KΩ~6KΩ
供电电源: 恒流1.5mA、恒压10V
使用温度: -45℃~125℃
补偿范围: -10℃~70℃
壳体和膜片: 不锈钢316L
精度:0.25 %FS
零点:±2mV (http://www.fx-sensor.com 010-51295202)
满量程:≥100mV(典型)
零点温漂:0.02 %FS/℃
灵敏度温漂:0.02 %FS/℃
绝缘: 100MΩ/250VDC
长时间稳定性:0.2 %FS/年
充油: 硅油、橄榄油(卫生型)
响应时间:≤50μm(上升到90%FS)
振动:20g/(20~5000Hz)
耐用性周期:>100×106 FS
量程选择
A 绝压(真空为零点) (http://www.fx-sensor.com 010-51295202)
|
量程MPa |
1.00 |
1.6 |
2.5 |
4 |
- |
- |
|
过载% |
200 |
200 |
200 |
200 |
- |
- |
S 密封式表压(校准大气压为零点)
|
量程MPa |
1.0 |
1.6 |
2.5 |
4 |
6 |
10 |
25 |
40 |
60 |
|
过载% |
200 |
200 |
200 |
200 |
150 |
150 |
150 |
150 |
150 |
外形结构
FPC-08系列OEM硅压阻式压力芯体
FPC-08系列OEM硅压阻式压力芯体是采用了FPC-10的制造技术,为高压力应用场合而设计,外径小,使芯体在安装后所承受的力大大减小。
特点
√ 进口压力芯片
√ 高性能、全固态、高可靠性
√ 直径小 (http://www.fx-sensor.com 010-51295202)
√ 18个月质保期
技术性能
电桥电阻: 3KΩ~6KΩ
供电电源: 恒流1.5mA、恒压10V
使用温度: -45℃~125℃
补偿范围: -10℃~70℃
壳体和膜片: 不锈钢316L
精度:0.25 %FS
零点:±2mV (http://www.fx-sensor.com 010-51295202)
满量程:≥100mV(典型)
零点温漂:0.02 %FS/℃
灵敏度温漂:0.02 %FS/℃
绝缘: 100MΩ/250VDC
长时间稳定性:0.2 %FS/年
充油: 硅油、橄榄油(卫生型)
响应时间:≤50μm(上升到90%FS)
振动:20g/(20~5000Hz)
耐用性周期:>100×106 FS
量程选择
A 绝压(真空为零点) (http://www.fx-sensor.com 010-51295202)
|
量程MPa |
1.00 |
1.6 |
2.5 |
4 |
- |
- |
|
过载% |
200 |
200 |
200 |
200 |
- |
- |
S 密封式表压(校准大气压为零点)
|
量程MPa |
1.0 |
1.6 |
2.5 |
4 |
6 |
10 |
25 |
40 |
60 |
|
过载% |
200 |
200 |
200 |
200 |
150 |
150 |
150 |
150 |
150 |
外形结构
FPC-08系列OEM硅压阻式压力芯体
FPC-08系列OEM硅压阻式压力芯体是采用了FPC-10的制造技术,为高压力应用场合而设计,外径小,使芯体在安装后所承受的力大大减小。
特点
√ 进口压力芯片
√ 高性能、全固态、高可靠性
√ 直径小 (http://www.fx-sensor.com 010-51295202)
√ 18个月质保期
技术性能
电桥电阻: 3KΩ~6KΩ
供电电源: 恒流1.5mA、恒压10V
使用温度: -45℃~125℃
补偿范围: -10℃~70℃
壳体和膜片: 不锈钢316L
精度:0.25 %FS
零点:±2mV (http://www.fx-sensor.com 010-51295202)
满量程:≥100mV(典型)
零点温漂:0.02 %FS/℃
灵敏度温漂:0.02 %FS/℃
绝缘: 100MΩ/250VDC
长时间稳定性:0.2 %FS/年
充油: 硅油、橄榄油(卫生型)
响应时间:≤50μm(上升到90%FS)
振动:20g/(20~5000Hz)
耐用性周期:>100×106 FS
量程选择
A 绝压(真空为零点) (http://www.fx-sensor.com 010-51295202)
|
量程MPa |
1.00 |
1.6 |
2.5 |
4 |
- |
- |
|
过载% |
200 |
200 |
200 |
200 |
- |
- |
S 密封式表压(校准大气压为零点)
|
量程MPa |
1.0 |
1.6 |
2.5 |
4 |
6 |
10 |
25 |
40 |
60 |
|
过载% |
200 |
200 |
200 |
200 |
150 |
150 |
150 |
150 |
150 |
外形结构

京公网安备 11011402011664号 京ICP备09029331号-22 QQ:987268138 E-mail:wjxyxy@126.com