FPC-206卫生型压力变送器
概述
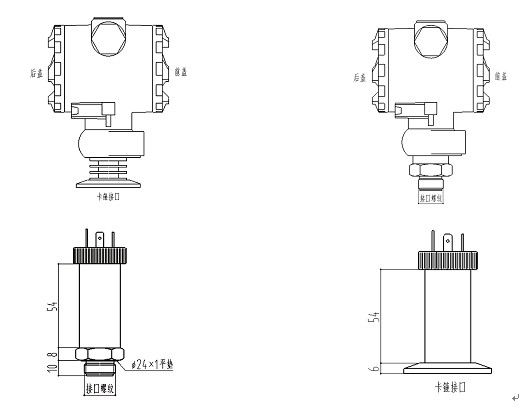
FPC-206卫生型压力变送器采用平面膜直接感受压力。传感器接口有卡箍式,M27×2,法兰式可供选择。输出信号有电压、电流、频率信号等可选择,传感器平膜片防止了结垢,不卫生及粘稠液体堵塞等问题。广泛应用于食品、医药、卫生及酿酒工业等部门。
特点
√ 无进压孔、无腔平面结构
√ 多种信号输出形式、电压、电流、频率信号等
√ 高精度、高强度
√ 卫生型、防结垢 (http://www.fx-sensor.com 010-51295202)
√ 质保期:12个月
性能参数
供电电源:24VDC
输出信号:4~20mA、1~5V、0~10mA、0~20mA、0~5V、1~10kHz
量程范围:0~100kPa…35Mpa
补偿温度:0~70℃
介质温度:-40~125℃
环境温度:-40~85℃
材 质:全不锈钢结构
工作方式:表压、绝压、密封压
综合精度:0.1、0.3、0.5级可选
绝缘电阻:100MΩ/100VDC
零点温度漂移:±0.03%FS/℃
灵敏度温度漂移:±0.03%FS/℃
过载压力:200%FS
长期稳定性:≤0.2%FS/年
典型结构
订货信息
FPC-206卫生型压力变送器
概述
FPC-206卫生型压力变送器采用平面膜直接感受压力。传感器接口有卡箍式,M27×2,法兰式可供选择。输出信号有电压、电流、频率信号等可选择,传感器平膜片防止了结垢,不卫生及粘稠液体堵塞等问题。广泛应用于食品、医药、卫生及酿酒工业等部门。
特点
√ 无进压孔、无腔平面结构
√ 多种信号输出形式、电压、电流、频率信号等
√ 高精度、高强度
√ 卫生型、防结垢 (http://www.fx-sensor.com 010-51295202)
√ 质保期:12个月
性能参数
供电电源:24VDC
输出信号:4~20mA、1~5V、0~10mA、0~20mA、0~5V、1~10kHz
量程范围:0~100kPa…35Mpa
补偿温度:0~70℃
介质温度:-40~125℃
环境温度:-40~85℃
材 质:全不锈钢结构
工作方式:表压、绝压、密封压
综合精度:0.1、0.3、0.5级可选
绝缘电阻:100MΩ/100VDC
零点温度漂移:±0.03%FS/℃
灵敏度温度漂移:±0.03%FS/℃
过载压力:200%FS
长期稳定性:≤0.2%FS/年
典型结构
订货信息
FPC-206卫生型压力变送器
概述
FPC-206卫生型压力变送器采用平面膜直接感受压力。传感器接口有卡箍式,M27×2,法兰式可供选择。输出信号有电压、电流、频率信号等可选择,传感器平膜片防止了结垢,不卫生及粘稠液体堵塞等问题。广泛应用于食品、医药、卫生及酿酒工业等部门。
特点
√ 无进压孔、无腔平面结构
√ 多种信号输出形式、电压、电流、频率信号等
√ 高精度、高强度
√ 卫生型、防结垢 (http://www.fx-sensor.com 010-51295202)
√ 质保期:12个月
性能参数
供电电源:24VDC
输出信号:4~20mA、1~5V、0~10mA、0~20mA、0~5V、1~10kHz
量程范围:0~100kPa…35Mpa
补偿温度:0~70℃
介质温度:-40~125℃
环境温度:-40~85℃
材 质:全不锈钢结构
工作方式:表压、绝压、密封压
综合精度:0.1、0.3、0.5级可选
绝缘电阻:100MΩ/100VDC
零点温度漂移:±0.03%FS/℃
灵敏度温度漂移:±0.03%FS/℃
过载压力:200%FS
长期稳定性:≤0.2%FS/年
典型结构
订货信息
FPC-206卫生型压力变送器
概述
FPC-206卫生型压力变送器采用平面膜直接感受压力。传感器接口有卡箍式,M27×2,法兰式可供选择。输出信号有电压、电流、频率信号等可选择,传感器平膜片防止了结垢,不卫生及粘稠液体堵塞等问题。广泛应用于食品、医药、卫生及酿酒工业等部门。
特点
√ 无进压孔、无腔平面结构
√ 多种信号输出形式、电压、电流、频率信号等
√ 高精度、高强度
√ 卫生型、防结垢 (http://www.fx-sensor.com 010-51295202)
√ 质保期:12个月
性能参数
供电电源:24VDC
输出信号:4~20mA、1~5V、0~10mA、0~20mA、0~5V、1~10kHz
量程范围:0~100kPa…35Mpa
补偿温度:0~70℃
介质温度:-40~125℃
环境温度:-40~85℃
材 质:全不锈钢结构
工作方式:表压、绝压、密封压
综合精度:0.1、0.3、0.5级可选
绝缘电阻:100MΩ/100VDC
零点温度漂移:±0.03%FS/℃
灵敏度温度漂移:±0.03%FS/℃
过载压力:200%FS
长期稳定性:≤0.2%FS/年
典型结构
订货信息
FPC-206卫生型压力变送器
概述
FPC-206卫生型压力变送器采用平面膜直接感受压力。传感器接口有卡箍式,M27×2,法兰式可供选择。输出信号有电压、电流、频率信号等可选择,传感器平膜片防止了结垢,不卫生及粘稠液体堵塞等问题。广泛应用于食品、医药、卫生及酿酒工业等部门。
特点
√ 无进压孔、无腔平面结构
√ 多种信号输出形式、电压、电流、频率信号等
√ 高精度、高强度
√ 卫生型、防结垢 (http://www.fx-sensor.com 010-51295202)
√ 质保期:12个月
性能参数
供电电源:24VDC
输出信号:4~20mA、1~5V、0~10mA、0~20mA、0~5V、1~10kHz
量程范围:0~100kPa…35Mpa
补偿温度:0~70℃
介质温度:-40~125℃
环境温度:-40~85℃
材 质:全不锈钢结构
工作方式:表压、绝压、密封压
综合精度:0.1、0.3、0.5级可选
绝缘电阻:100MΩ/100VDC
零点温度漂移:±0.03%FS/℃
灵敏度温度漂移:±0.03%FS/℃
过载压力:200%FS
长期稳定性:≤0.2%FS/年
典型结构
订货信息

京公网安备 11011402011664号 京ICP备09029331号-22 QQ:987268138 E-mail:wjxyxy@126.com