FPL-104 小型高输出型钛硅-蓝宝石压力传感器OEM件
|
|
|
|
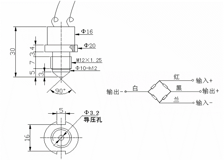
FPL-104小型高输出钛/硅-蓝宝石压力传感器OEM件,利用异质外延在蓝宝石上硅的压阻效应原理。压力传感器感压机构由钛合金感压膜片或测量杆和钛合金测量膜片构成。被测压力传送到测量膜片上,在压力的作用下,钛合金测量膜片产生形变,该形变被硅电桥输出发生变化,变化的幅值与被测压力成正比。电桥电路将电桥的失衡信号,转换为电信号输出。 FPL-104压力OEM件结构小巧,易于组装成各种其他结构形式的检测仪表。 |
|
|
|
||||||||||||||||||||||||||||||
|
◆ 温度测量范围宽 ◆ 高精度、高稳定性 ◆灵敏度输出高、高阻抗低功耗 |
◆ 油田井下压力测量 ◆ 压力变送器组装 ◆ 发电厂、核电站 ◆ 石油、化工行业 ◆ 工业现场过程压力控制 ◆ 数字压力校验仪 ◆ 各科研院所的实验室设备 |
||||||||||||||||||||||||||||||
|
|
|||||||||||||||||||||||||||||||
|
|||||||||||||||||||||||||||||||
|
|
|||||||||||||||||||||||||||||||
|
|
|
||||||||||||||||||||||||||||||
FPL-104 小型高输出型钛硅-蓝宝石压力传感器OEM件
|
|
|
|
FPL-104小型高输出钛/硅-蓝宝石压力传感器OEM件,利用异质外延在蓝宝石上硅的压阻效应原理。压力传感器感压机构由钛合金感压膜片或测量杆和钛合金测量膜片构成。被测压力传送到测量膜片上,在压力的作用下,钛合金测量膜片产生形变,该形变被硅电桥输出发生变化,变化的幅值与被测压力成正比。电桥电路将电桥的失衡信号,转换为电信号输出。 FPL-104压力OEM件结构小巧,易于组装成各种其他结构形式的检测仪表。 |
|
|
|
||||||||||||||||||||||||||||||
|
◆ 温度测量范围宽 ◆ 高精度、高稳定性 ◆灵敏度输出高、高阻抗低功耗 |
◆ 油田井下压力测量 ◆ 压力变送器组装 ◆ 发电厂、核电站 ◆ 石油、化工行业 ◆ 工业现场过程压力控制 ◆ 数字压力校验仪 ◆ 各科研院所的实验室设备 |
||||||||||||||||||||||||||||||
|
|
|||||||||||||||||||||||||||||||
|
|||||||||||||||||||||||||||||||
|
|
|||||||||||||||||||||||||||||||
|
|
|
||||||||||||||||||||||||||||||
FPL-104 小型高输出型钛硅-蓝宝石压力传感器OEM件
|
|
|
|
FPL-104小型高输出钛/硅-蓝宝石压力传感器OEM件,利用异质外延在蓝宝石上硅的压阻效应原理。压力传感器感压机构由钛合金感压膜片或测量杆和钛合金测量膜片构成。被测压力传送到测量膜片上,在压力的作用下,钛合金测量膜片产生形变,该形变被硅电桥输出发生变化,变化的幅值与被测压力成正比。电桥电路将电桥的失衡信号,转换为电信号输出。 FPL-104压力OEM件结构小巧,易于组装成各种其他结构形式的检测仪表。 |
|
|
|
||||||||||||||||||||||||||||||
|
◆ 温度测量范围宽 ◆ 高精度、高稳定性 ◆灵敏度输出高、高阻抗低功耗 |
◆ 油田井下压力测量 ◆ 压力变送器组装 ◆ 发电厂、核电站 ◆ 石油、化工行业 ◆ 工业现场过程压力控制 ◆ 数字压力校验仪 ◆ 各科研院所的实验室设备 |
||||||||||||||||||||||||||||||
|
|
|||||||||||||||||||||||||||||||
|
|||||||||||||||||||||||||||||||
|
|
|||||||||||||||||||||||||||||||
|
|
|
||||||||||||||||||||||||||||||
FPL-104 小型高输出型钛硅-蓝宝石压力传感器OEM件
|
|
|
|
FPL-104小型高输出钛/硅-蓝宝石压力传感器OEM件,利用异质外延在蓝宝石上硅的压阻效应原理。压力传感器感压机构由钛合金感压膜片或测量杆和钛合金测量膜片构成。被测压力传送到测量膜片上,在压力的作用下,钛合金测量膜片产生形变,该形变被硅电桥输出发生变化,变化的幅值与被测压力成正比。电桥电路将电桥的失衡信号,转换为电信号输出。 FPL-104压力OEM件结构小巧,易于组装成各种其他结构形式的检测仪表。 |
|
|
|
||||||||||||||||||||||||||||||
|
◆ 温度测量范围宽 ◆ 高精度、高稳定性 ◆灵敏度输出高、高阻抗低功耗 |
◆ 油田井下压力测量 ◆ 压力变送器组装 ◆ 发电厂、核电站 ◆ 石油、化工行业 ◆ 工业现场过程压力控制 ◆ 数字压力校验仪 ◆ 各科研院所的实验室设备 |
||||||||||||||||||||||||||||||
|
|
|||||||||||||||||||||||||||||||
|
|||||||||||||||||||||||||||||||
|
|
|||||||||||||||||||||||||||||||
|
|
|
||||||||||||||||||||||||||||||
FPL-104 小型高输出型钛硅-蓝宝石压力传感器OEM件
|
|
|
|
FPL-104小型高输出钛/硅-蓝宝石压力传感器OEM件,利用异质外延在蓝宝石上硅的压阻效应原理。压力传感器感压机构由钛合金感压膜片或测量杆和钛合金测量膜片构成。被测压力传送到测量膜片上,在压力的作用下,钛合金测量膜片产生形变,该形变被硅电桥输出发生变化,变化的幅值与被测压力成正比。电桥电路将电桥的失衡信号,转换为电信号输出。 FPL-104压力OEM件结构小巧,易于组装成各种其他结构形式的检测仪表。 |
|
|
|
||||||||||||||||||||||||||||||
|
◆ 温度测量范围宽 ◆ 高精度、高稳定性 ◆灵敏度输出高、高阻抗低功耗 |
◆ 油田井下压力测量 ◆ 压力变送器组装 ◆ 发电厂、核电站 ◆ 石油、化工行业 ◆ 工业现场过程压力控制 ◆ 数字压力校验仪 ◆ 各科研院所的实验室设备 |
||||||||||||||||||||||||||||||
|
|
|||||||||||||||||||||||||||||||
|
|||||||||||||||||||||||||||||||
|
|
|||||||||||||||||||||||||||||||
|
|
|
||||||||||||||||||||||||||||||

京公网安备 11011402011664号 京ICP备09029331号-22 QQ:987268138 E-mail:wjxyxy@126.com