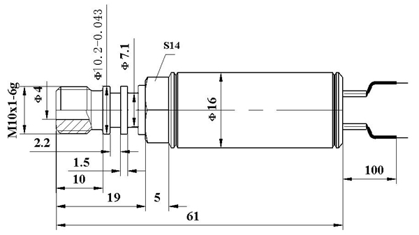
FPL-207 油田井下钛硅-蓝宝石压力传感器
|
|
||||||||||||||||||||||||||||||||||||||||||||||||||||
|
蓝宝石系由单晶绝缘体元素组成,不会发生滞后、疲劳和蠕变现象;蓝宝石有着非常好的弹性和绝缘特性(1000 ℃ 以内),对温度变化不敏感,即使在高温条件下,也有着很好的工作特性;蓝宝石的抗辐射特性极强;另外,硅-蓝宝石半导体敏感元件,无p-n漂移,因此,可应用于各种复杂环境场合。 |
||||||||||||||||||||||||||||||||||||||||||||||||||||
|
|
|
|||||||||||||||||||||||||||||||||||||||||||||||||||
|
◆ 压力测量范围宽(2.5MPa~200MPa) |
◆ 潜油电泵、油田井下电子压力计配套专用 |
|||||||||||||||||||||||||||||||||||||||||||||||||||
|
|
||||||||||||||||||||||||||||||||||||||||||||||||||||
|
||||||||||||||||||||||||||||||||||||||||||||||||||||
|
|
||||||||||||||||||||||||||||||||||||||||||||||||||||
|
|
||||||||||||||||||||||||||||||||||||||||||||||||||||
|
|
||||||||||||||||||||||||||||||||||||||||||||||||||||
|
|
||||||||||||||||||||||||||||||||||||||||||||||||||||
FPL-207 油田井下钛硅-蓝宝石压力传感器
|
|
||||||||||||||||||||||||||||||||||||||||||||||||||||
|
蓝宝石系由单晶绝缘体元素组成,不会发生滞后、疲劳和蠕变现象;蓝宝石有着非常好的弹性和绝缘特性(1000 ℃ 以内),对温度变化不敏感,即使在高温条件下,也有着很好的工作特性;蓝宝石的抗辐射特性极强;另外,硅-蓝宝石半导体敏感元件,无p-n漂移,因此,可应用于各种复杂环境场合。 |
||||||||||||||||||||||||||||||||||||||||||||||||||||
|
|
|
|||||||||||||||||||||||||||||||||||||||||||||||||||
|
◆ 压力测量范围宽(2.5MPa~200MPa) |
◆ 潜油电泵、油田井下电子压力计配套专用 |
|||||||||||||||||||||||||||||||||||||||||||||||||||
|
|
||||||||||||||||||||||||||||||||||||||||||||||||||||
|
||||||||||||||||||||||||||||||||||||||||||||||||||||
|
|
||||||||||||||||||||||||||||||||||||||||||||||||||||
|
|
||||||||||||||||||||||||||||||||||||||||||||||||||||
|
|
||||||||||||||||||||||||||||||||||||||||||||||||||||
|
|
||||||||||||||||||||||||||||||||||||||||||||||||||||
FPL-207 油田井下钛硅-蓝宝石压力传感器
|
|
||||||||||||||||||||||||||||||||||||||||||||||||||||
|
蓝宝石系由单晶绝缘体元素组成,不会发生滞后、疲劳和蠕变现象;蓝宝石有着非常好的弹性和绝缘特性(1000 ℃ 以内),对温度变化不敏感,即使在高温条件下,也有着很好的工作特性;蓝宝石的抗辐射特性极强;另外,硅-蓝宝石半导体敏感元件,无p-n漂移,因此,可应用于各种复杂环境场合。 |
||||||||||||||||||||||||||||||||||||||||||||||||||||
|
|
|
|||||||||||||||||||||||||||||||||||||||||||||||||||
|
◆ 压力测量范围宽(2.5MPa~200MPa) |
◆ 潜油电泵、油田井下电子压力计配套专用 |
|||||||||||||||||||||||||||||||||||||||||||||||||||
|
|
||||||||||||||||||||||||||||||||||||||||||||||||||||
|
||||||||||||||||||||||||||||||||||||||||||||||||||||
|
|
||||||||||||||||||||||||||||||||||||||||||||||||||||
|
|
||||||||||||||||||||||||||||||||||||||||||||||||||||
|
|
||||||||||||||||||||||||||||||||||||||||||||||||||||
|
|
||||||||||||||||||||||||||||||||||||||||||||||||||||
FPL-207 油田井下钛硅-蓝宝石压力传感器
|
|
||||||||||||||||||||||||||||||||||||||||||||||||||||
|
蓝宝石系由单晶绝缘体元素组成,不会发生滞后、疲劳和蠕变现象;蓝宝石有着非常好的弹性和绝缘特性(1000 ℃ 以内),对温度变化不敏感,即使在高温条件下,也有着很好的工作特性;蓝宝石的抗辐射特性极强;另外,硅-蓝宝石半导体敏感元件,无p-n漂移,因此,可应用于各种复杂环境场合。 |
||||||||||||||||||||||||||||||||||||||||||||||||||||
|
|
|
|||||||||||||||||||||||||||||||||||||||||||||||||||
|
◆ 压力测量范围宽(2.5MPa~200MPa) |
◆ 潜油电泵、油田井下电子压力计配套专用 |
|||||||||||||||||||||||||||||||||||||||||||||||||||
|
|
||||||||||||||||||||||||||||||||||||||||||||||||||||
|
||||||||||||||||||||||||||||||||||||||||||||||||||||
|
|
||||||||||||||||||||||||||||||||||||||||||||||||||||
|
|
||||||||||||||||||||||||||||||||||||||||||||||||||||
|
|
||||||||||||||||||||||||||||||||||||||||||||||||||||
|
|
||||||||||||||||||||||||||||||||||||||||||||||||||||
FPL-207 油田井下钛硅-蓝宝石压力传感器
|
|
||||||||||||||||||||||||||||||||||||||||||||||||||||
|
蓝宝石系由单晶绝缘体元素组成,不会发生滞后、疲劳和蠕变现象;蓝宝石有着非常好的弹性和绝缘特性(1000 ℃ 以内),对温度变化不敏感,即使在高温条件下,也有着很好的工作特性;蓝宝石的抗辐射特性极强;另外,硅-蓝宝石半导体敏感元件,无p-n漂移,因此,可应用于各种复杂环境场合。 |
||||||||||||||||||||||||||||||||||||||||||||||||||||
|
|
|
|||||||||||||||||||||||||||||||||||||||||||||||||||
|
◆ 压力测量范围宽(2.5MPa~200MPa) |
◆ 潜油电泵、油田井下电子压力计配套专用 |
|||||||||||||||||||||||||||||||||||||||||||||||||||
|
|
||||||||||||||||||||||||||||||||||||||||||||||||||||
|
||||||||||||||||||||||||||||||||||||||||||||||||||||
|
|
||||||||||||||||||||||||||||||||||||||||||||||||||||
|
|
||||||||||||||||||||||||||||||||||||||||||||||||||||
|
|
||||||||||||||||||||||||||||||||||||||||||||||||||||
|
|
||||||||||||||||||||||||||||||||||||||||||||||||||||

京公网安备 11011402011664号 京ICP备09029331号-22 QQ:987268138 E-mail:wjxyxy@126.com